EasyManua.ls Logo

Denon SC-A3L - Page 21

Denon SC-A3L
31 pages
To Next Page IconTo Next Page
To Next Page IconTo Next Page
To Previous Page IconTo Previous Page
To Previous Page IconTo Previous Page
Loading...
+13.7V
+22.1V
+13.8V
+44.3V
+22.8V
+44.3V
+12.2V
0V
+13.7V
+13.6V
+13.6V
+0.6V
0V
-
13.7V
-
22.2V
-
44.3V
-
44.3V
-
11.9V
-
22.8V
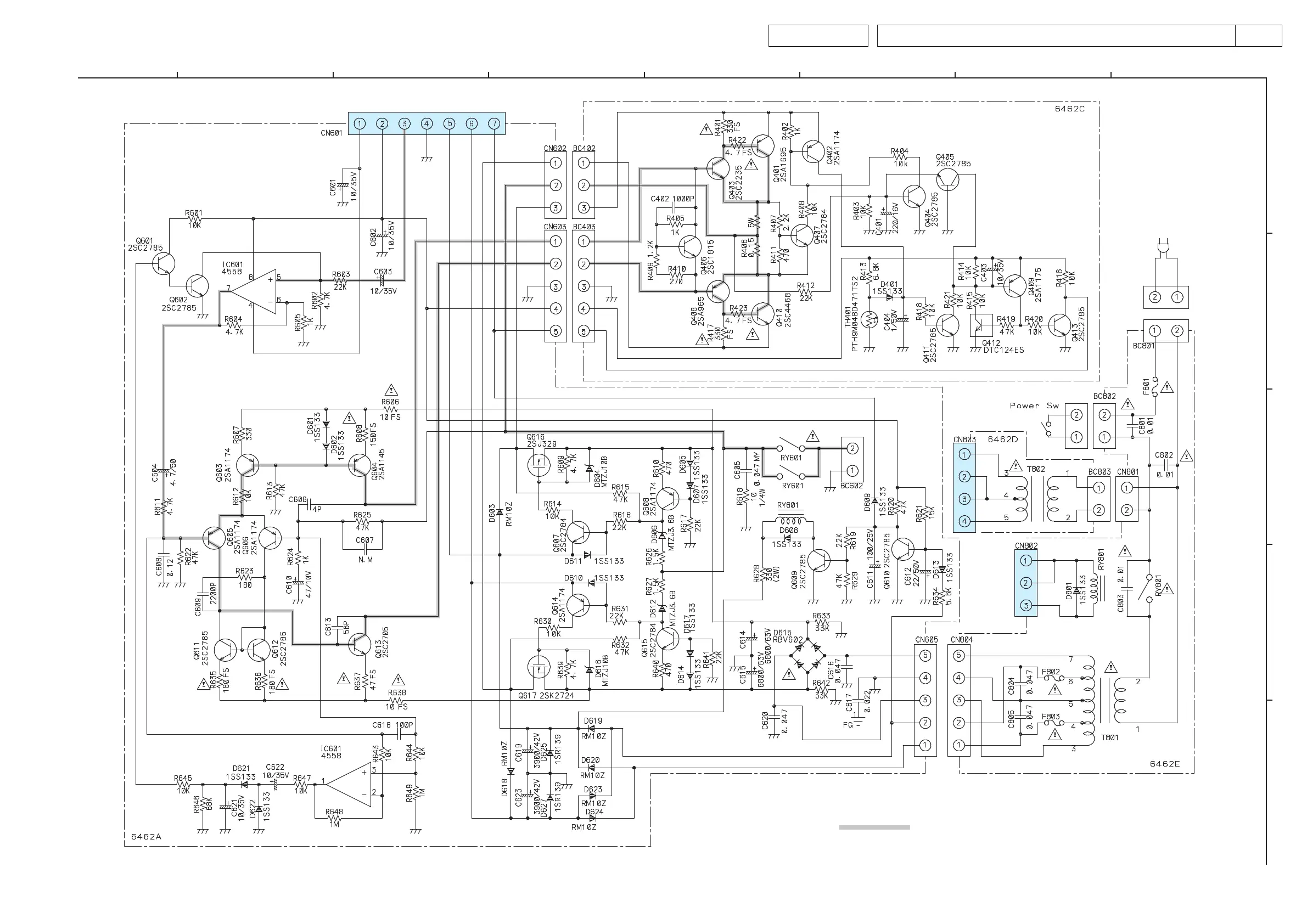
SCHEMATIC DIAGRAMS (2/2)
SCHEMATIC DIAGRAMS (2/2)
AMP-1 UNIT
AMP-2 UNIT
MAIN TRANS UNIT
SUB TRANS UNIT
8765432
1
A
B
C
D
E
21
SIGNAL LINE
SYS-T3L/ SYS-C3L/ SYS-A3L/ SYS-A2.1L/ SC-T3L/ SC-A3L/ DSW-3L
21
DSW-3L Section

Related product manuals