EasyManua.ls Logo

Denon UCD-250 - Page 46

Denon UCD-250
49 pages
Print Icon
To Next Page IconTo Next Page
To Next Page IconTo Next Page
To Previous Page IconTo Previous Page
To Previous Page IconTo Previous Page
Loading...
D-250
8
MATIC
DIAGRAM
CD
PLAYER
SECTION
6
ig
8
dq
10
11
BGNAL
LINE
muna
+
5Y
LINE
(SWITCRED)
R
R6O7
200k
IB
LLINE
ween
oem
5
LINE
(SWITCHED)
cana
VR6O!
R728
613
R62!
R637
B
LINE
sesesesese
+5V
LINE
(UNSWITCHED}
aie
~3@
rees
ory
Wek
Reis
OS
Ic60l
SMS840CSOP
SIG.
OUT
Boe
c623
J
[+
cé6i6
1/501
0.01
O
PCB.SCREW
GND
ra,
yKeol
|
CL!
|?
RX_,
B
;
yy
Laas
TX
-
604
are
SYSTEM
500/10
A
CONT.
JACK
Ps
isssassasssass:snsQusbsauuasuausiarsu
isis
TX
ll
JK602
PCB.SCREW
GND
Pee
or
ee
oe
See
Pe
ee
An
AE
Se
ee
eee
—————
is
Sere
fF
R684
2.2k
}—4
==
1p
mes
Ok
|
[reso
1Ok
ou
piri
I+
nes
i
5V
STOP
:
OV
SUL
sy
PLAY
STOP
:
OV
Ic681
CXD2500AG
ie
=m:
|
=
i
19@
aS5
a8
8
geneus
+5V
DOCS
06-14
4us
0.6~1.8us
Hat
pes
+5V
i
ov
at
0.6~2.2us
Ic6s2
'
pPO755I7GF
Snalil|
wok
Jeet)
i]
FELT
E
TTT)
|
wenn
22)|)~)hChUT
EL)
ULC
RO
BOS
B8
SZ
aazaaag
A
CB655
(VH)
[IcNnes!
F
z
Zz
O
O
z
alg
IC655
»_¢
TRE5!
ICP-NIS
AC230V
50Hz
a
~
ICP-NI5
-5V
2s0i9'5
}
e
(EUROPE)
3
sa
AC240V
50Hz
4
Be
R65I
A
wK
;
om
4.7kK(1/4)
He}
POWER
Pt
|
TRANS
0.0!
0.01
TR653
2S0468
56
oC!
a
CHASSIS
R655
G
Y)
oUl/4)
\
)
i?
GND.
><]
P
(ee)
Betes
mil
Lov
sce
PS
CH
z
1/50
|<
Ror)
wig
1U-—
2478A-3
AeseB~2
CHO)
POWER
UNIT
3
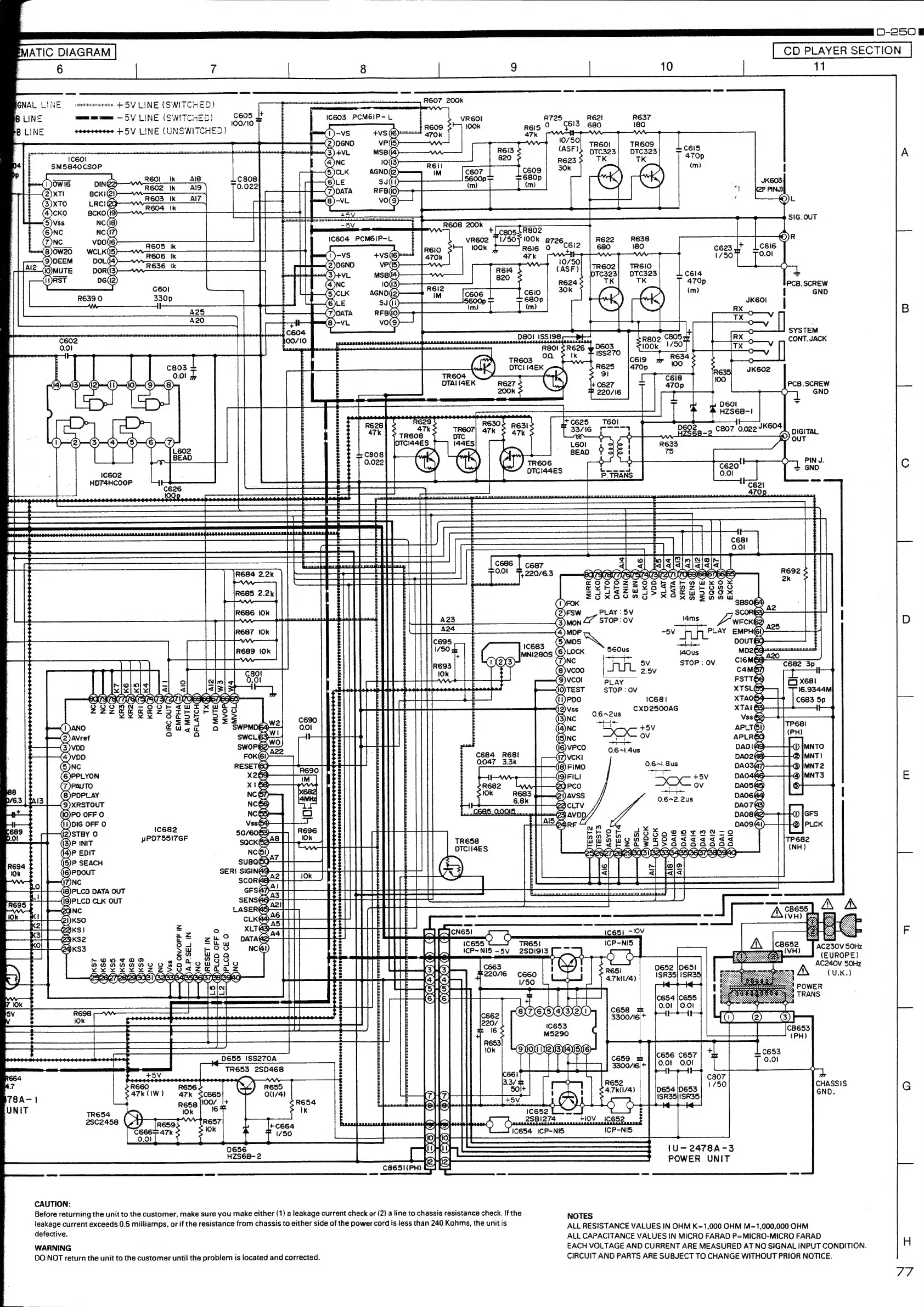
CAUTION:
Before
returning
the
unit
to
the
customer,
make
sure
you
make
either
(1)
a
leakage
current
check
or
(2)
a
line
to
chassis
resistance
check.
If
the
NOTES
leakage
current
exceeds
0.5
milliamps,
or
if
the
resistance
from
chassis
to
either
side
of
the
power
cord
is
less
than
240
Kohms,
the
unit
is
ALL
RESISTANCE
VALUES
IN
OHM
K=1,000
OHM
M=1,000,000
OHM
defective.
ALL
CAPACITANCE
VALUES
IN
MICRO
FARAD
P=MICRO-MICRO
FARAD
H
WARNING
EACH
VOLTAGE
AND
CURRENT
ARE
MEASURED
AT
NO
SIGNAL
INPUT
CONDITION.
DO
NOT
return
the
unit
to
the
customer
until
the
problem
is
located
and
corrected.
CIRCUIT
AND
PARTS
ARE
SUBJECT
TO
CHANGE
WITHOUT
PRIOR
NOTICE.
77

Other manuals for Denon UCD-250

Related product manuals