EasyManua.ls Logo

desmon GBF-5G - Hook the Electrical Power to the Unit

Default Icon
100 pages
Print Icon
To Next Page IconTo Next Page
To Next Page IconTo Next Page
To Previous Page IconTo Previous Page
To Previous Page IconTo Previous Page
Loading...
Rev 07/04/2015
56
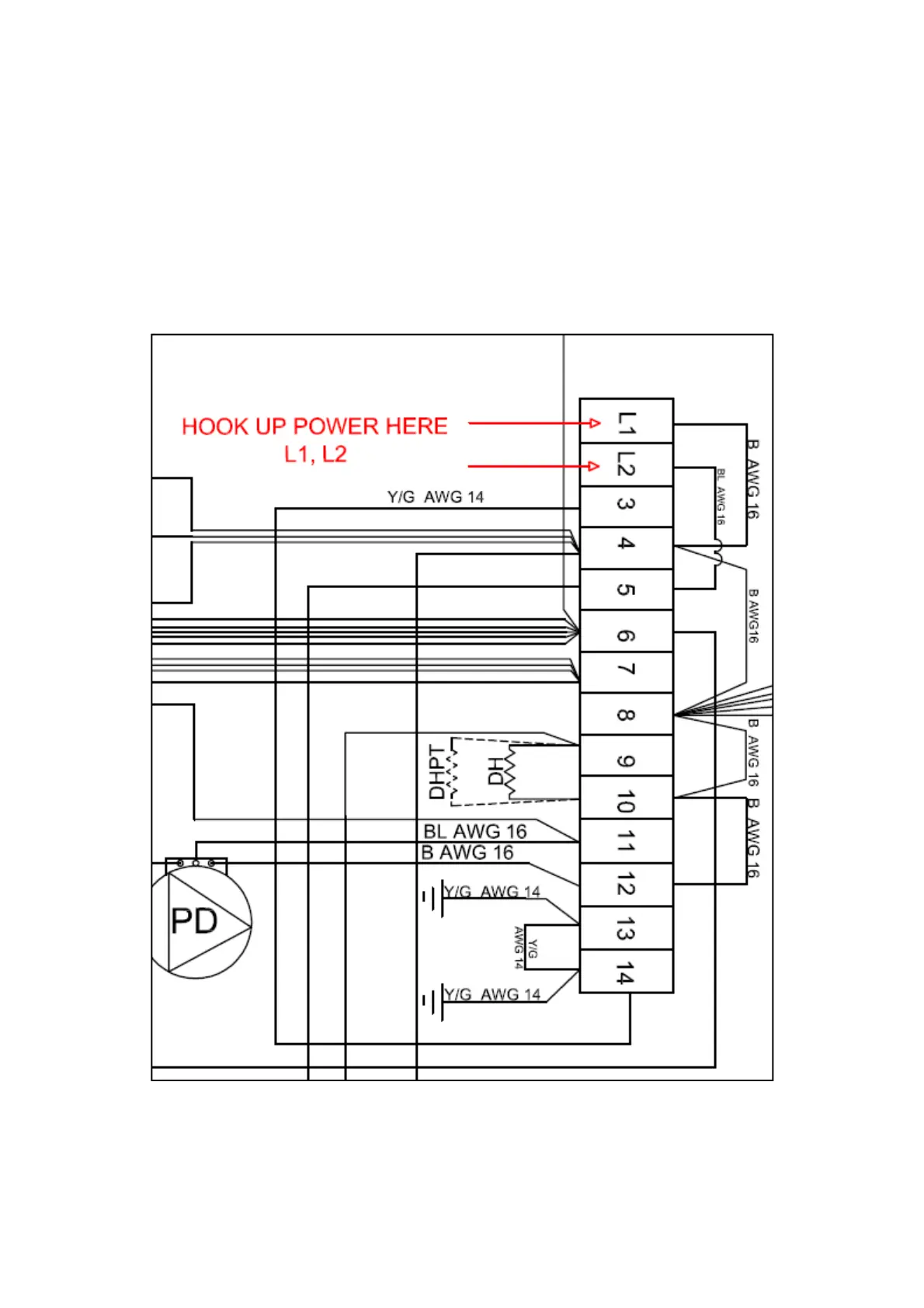
6.3.2 Hook the electrical power to the unit
The Blast Chiller cabinet requires electrical power for the evaporator fans (4 or 5 for a
single rack model), electronics controller, feeding valve, frame heater and similar. All the
mentioned components are single phase, therefore the unit requires only two hot lines (or
1 line and neutral, depending on the mains voltage). The voltage among lines must be
208V or 220-240V, either 50 or 60 Hz. To hook the power to the cabinet just open the
electrical metal box on the top of the cabinet and connect L1 and L2 on the power block as
shown below
The wiring diagram is provided in a plastic bag in the electrical box.

Table of Contents

Related product manuals