EasyManua.ls Logo

devibliss 515DS - Page 43

Default Icon
52 pages
Print Icon
To Next Page IconTo Next Page
To Next Page IconTo Next Page
To Previous Page IconTo Previous Page
To Previous Page IconTo Previous Page
Loading...
43
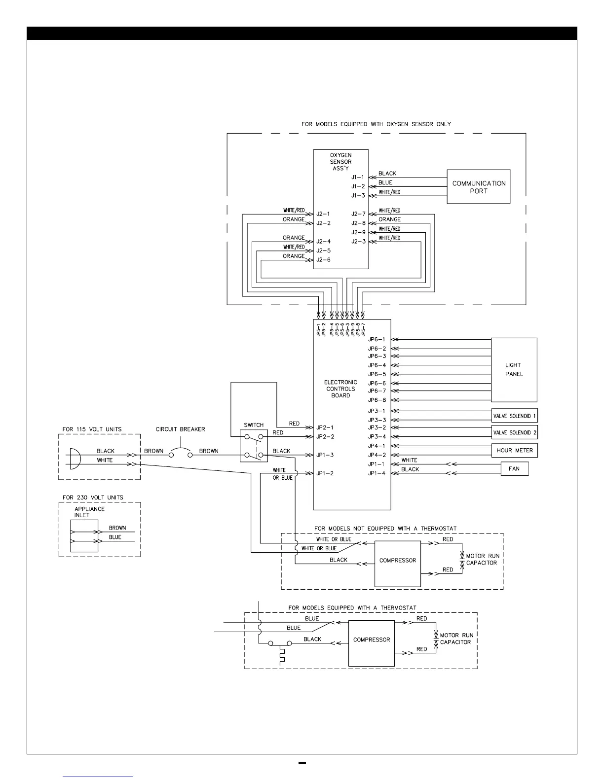
FIGURES, DIAGRAMS, AND VIEWS
Figure 16A Wiring Diagram (early OSD models)
(2 BOARD SYSTEM)