EasyManua.ls Logo

DEWEZE 470 - Page 43

Default Icon
52 pages
Print Icon
To Next Page IconTo Next Page
To Next Page IconTo Next Page
To Previous Page IconTo Previous Page
To Previous Page IconTo Previous Page
Loading...
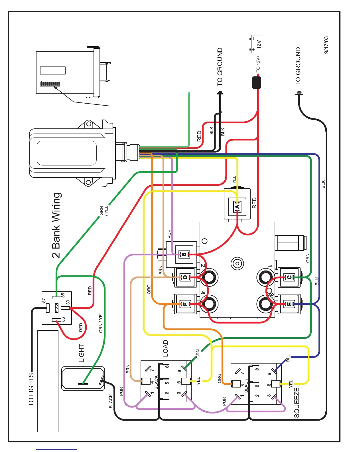
20 AMP FUSE - 132023
(locate near battery)
Wireless Reciever D003-002-02
Tested to Comply
With FCC Standards
FCC
Wireless Reciever
Tested to Comply
With FCC Standards
FCC
Dip switches inside receiver must
match dip switches in transmitter.
TO ANTENNA
LT
GRN
DewEze
COVER ALL SWITCH AND RELAY
CONNECTIONS WITH RUBBERIZED
UNDERCOATING OR DIELECTRIC GREASE
NOTE: If optional third bank is not used,
tie off gray and white wires.
Version II RF Control
RF Control Assembly with Transmitter - 235009
RF Control Assembly without Transmitter - 235011
Receiver - 232037
Transmitter - 232036
2 Bank Harness - 232040
RELAY
(530111)
(530007)
(232005)
(232005)
NOTE: The SQUEEZE switch (232005) may be replaced with the optional DETENT switch (232056) for use with rear remote outlets. NOT FOR USE WITH ADD-ON VALVE