EasyManua.ls Logo

DHT Techtanium TT-40 - Page 7

DHT Techtanium TT-40
17 pages
Print Icon
To Next Page IconTo Next Page
To Next Page IconTo Next Page
To Previous Page IconTo Previous Page
To Previous Page IconTo Previous Page
Loading...
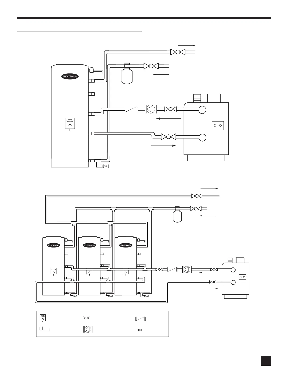
IV INSTALLATION/PIPING (cont’d)
PIPING
2. Domestic Water
a. Cold Water In.
b. Standard Domestic Hot Water Out.
Thermostatic Mixing Valve
Expansion Tank
Vacuum Breaker
Temperature & Pressure Relief Valve( T & P)
IV
IV
INSTALLATION/PIPING (cont’d)
INSTALLATION/PIPING (cont’d)
PIPING
PIPING
BOILER
CONTROLS
DOMESTIC HOT OUT
DOMESTIC COLD IN
* THERMAL
EXPANSION
TANK
BOILER FEED
BOILER RETURN
RECIRCULATION
M80/M115
Notes: 1) Thermal Expansion Tank is required whenever a backflow preventer or no return valve is present in the system. Locate
the Thermal Expansion Tank on the Domestic Cold water line between the heater and backflow preventer or no return valve.
2) The Domestic Hot Water Outlet is at the top of the tank on the TT-119.
MULTIPLE TANK INSTALLATION
MULTIPLE TANK INSTALLATION
TANK INSTALLATION
TANK INSTALLATION
DOMESTIC HOT
OUT
DOMESTIC COLD IN
BOILER FEED
BOILER RETURN
BOILER
CONTROLS
* THERMAL
EXPANSION
TANK
TANK CONTROL
TEMP & PRESSURE RELIEF
VALVE
BALL VALVE
CIRCULATOR
ZONE VALVE/
CHECK VALVE
DRAIN VALVE
7