EasyManua.ls Logo

Dielectric 2200ST SmartTech Modular Dehydrator - Page 11

Dielectric 2200ST SmartTech Modular Dehydrator
48 pages
Print Icon
To Next Page IconTo Next Page
To Next Page IconTo Next Page
To Previous Page IconTo Previous Page
To Previous Page IconTo Previous Page
Loading...
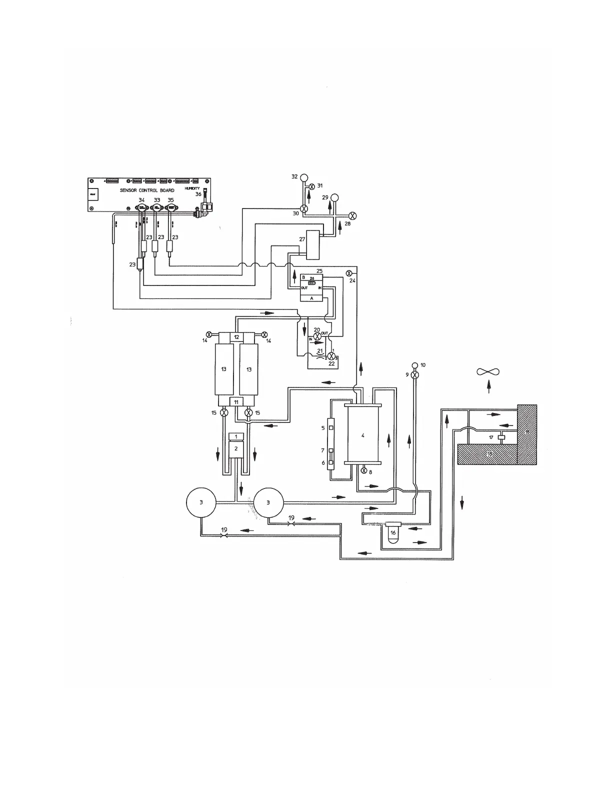
Figure 2
Air/Water Flow Schematic
1) INTAKE FILTER 2) I
NTAKE DEFUSER 3) AIR COMPRESSORS
4) WATE R SEPARATOR 5) HIGH WATE R SHUT-OFF FLOAT 6) LOW WATE R SHUT-OFF FLOAT
7) WATE R EJECT FLOAT 8) WATE R DRAIN PETCOCK 9) WATE R EJECT SOL. VA LVE
10) WAT E R EJECT OUTLET PORT 11) DRYING TOWER INLET PORT 12) DRYING TOWER OUTLET PORT
13) DRYING TOWERS 14) DRYING TOWER TEST PORTS 15) PURGE SOLENOID VA LVES
16) WAT E R FILTER 17) THERMISTOR (THERMAL SWITCH) 18) AIR/WAT E R HEAT EXCHANGER
19) WAT E R METERING ORIFICE 20) SYSTEM CONTROLLER REGULATOR 21) HUMIDITY DRY AIR VENT
22) HUMIDITY SHUT-OFF PILOT VA LVE 23) DISCONNECT UNIONS 24) SYSTEM PRESS TEST VALV E
25) SYSTEM CONTROLLER 26) BYPASS AIR MUFFLER 27) FLOW CALIBRATION VALVE
28) SYSTEM FLOW VA LVE 29) HIGH PRESSURE OUTLET PORT 30) LINE PRESSURE REGULATOR
31) LINE PRESSURE TEST PORT 32) LOW PRESSURE OUTLET PORT 33) LINE PRESSURE SENSOR
34) FLOW CALIBRATION SENSOR 35) SYSTEM PRESSURE SENSOR 36) HUMIDITY SENSOR
5