EasyManua.ls Logo

digitalview HE-1400 - Controller Dimensions

digitalview HE-1400
27 pages
Print Icon
To Next Page IconTo Next Page
To Next Page IconTo Next Page
To Previous Page IconTo Previous Page
To Previous Page IconTo Previous Page
Loading...
16
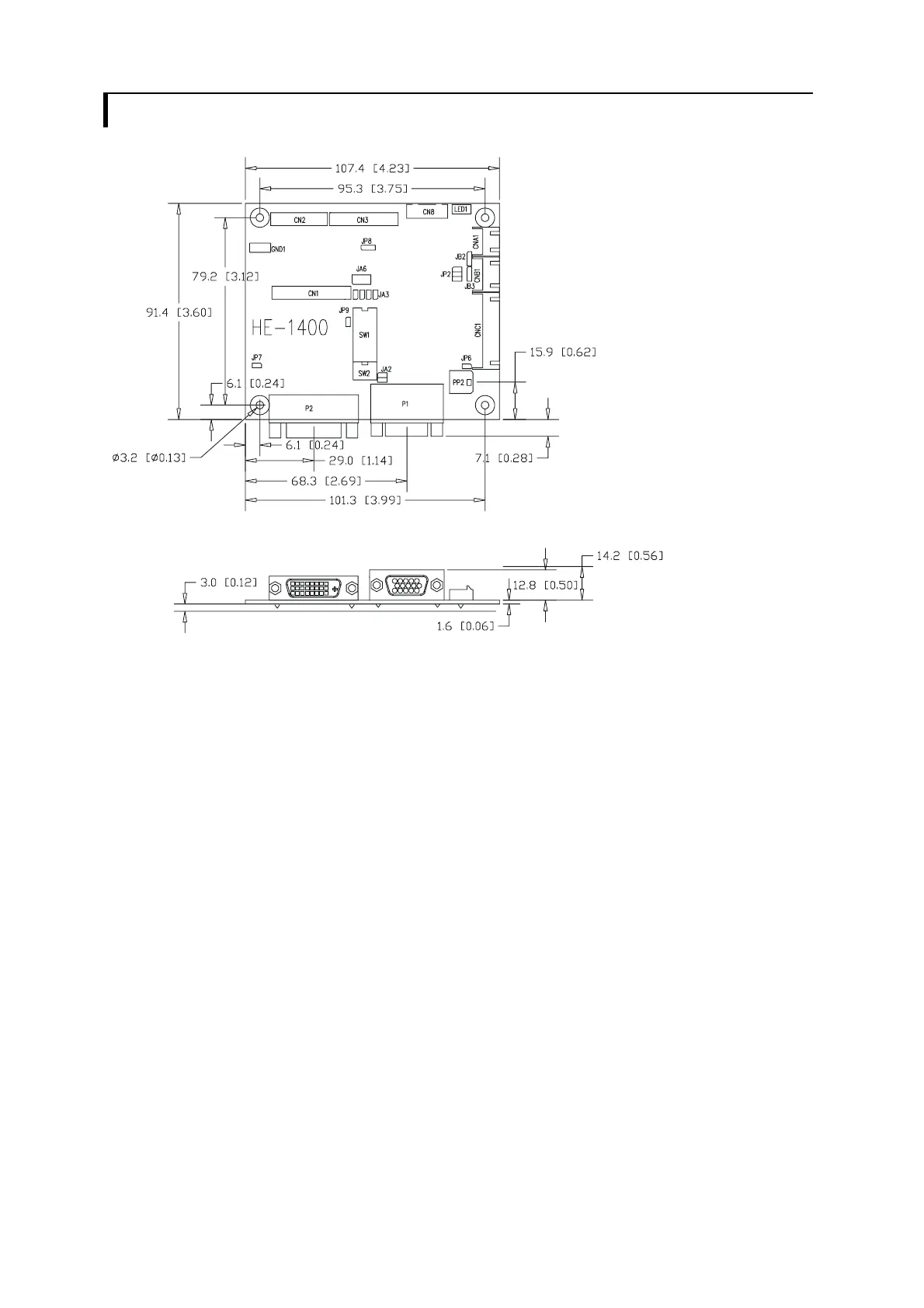
CONTROLLER DIMENSIONS
The maximum thickness of the controller is 15.8mm (measured from bottom of PCB to top of components, including
any underside components & leads). We recommend clearances of:
5mm from bottom of PCB - if mounting on a metal plate we also recommend a layer of suitable insulation
material is added to the mounting plate surface.
10mm above the components
3~5mm around the edges
Any of the holes shown above can be used for mounting the PCB, they are 3.2mm in diameter.
CAUTION: Ensure adequate insulation is provided for all areas of the PCB with special attention to high
voltage parts such as the inverter.