EasyManua.ls Logo

Dimplex AC3RE - Page 8

Dimplex AC3RE
40 pages
Print Icon
To Next Page IconTo Next Page
To Next Page IconTo Next Page
To Previous Page IconTo Previous Page
To Previous Page IconTo Previous Page
Loading...
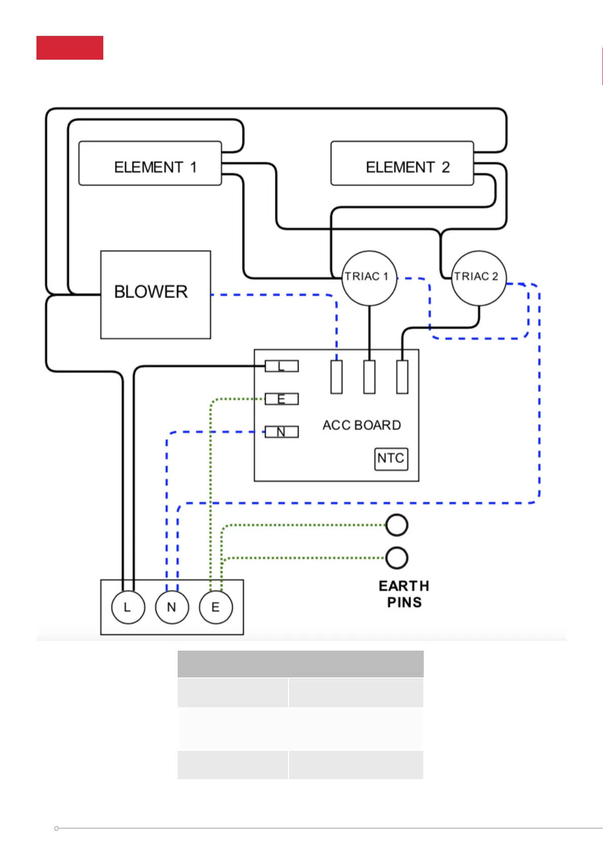
Fig. 8
Key Table
Black Solid Line
Live Wires
Blue Dashed Line Neutral Wires
Green Dotted Line Earth Wires
8

Related product manuals