EasyManua.ls Logo

dirna Bergstrom TRP LITE - Page 14

dirna Bergstrom TRP LITE
Print Icon
To Next Page IconTo Next Page
To Next Page IconTo Next Page
To Previous Page IconTo Previous Page
To Previous Page IconTo Previous Page
Loading...
ES
LITE
14
®
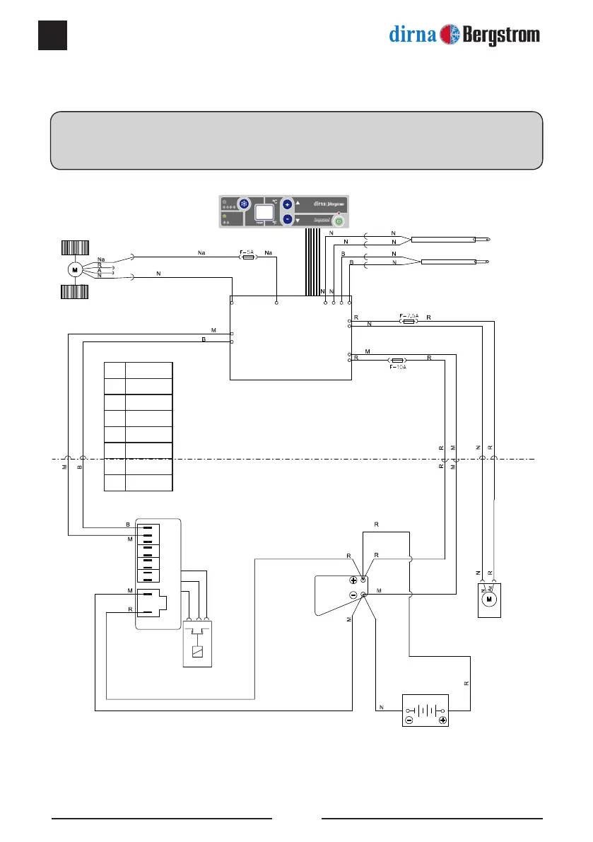
Esquema eléctrico
¡AVISO IMPORTANTE!
Precaución de no invertir las polaridades al conectar el equipo a la batería. Si esto sucediera la placa
de mandos no se enciende y el equipo no funciona.
Az Azul
N Negro
R Rojo
V Verde
B Blanco
A Amarillo
Na Naranja
M Marrón
Sensor
aire de retorno
Sensor
antihielo
Control
electrónico
Soplador
Centro de
conexiones
Compresor
Control
compresor
Ventilador del
condensador
Batería o
Caja de fusibles

Related product manuals