EasyManua.ls Logo

dirna Bergstrom TRP LITE - Electric Scheme; Wiring Diagram Overview

dirna Bergstrom TRP LITE
Print Icon
To Next Page IconTo Next Page
To Next Page IconTo Next Page
To Previous Page IconTo Previous Page
To Previous Page IconTo Previous Page
Loading...
LITE
24
®
EN
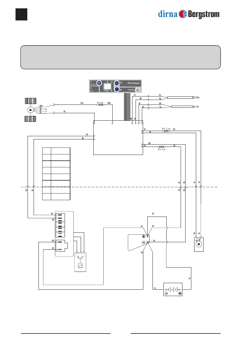
Electric scheme
IMPORTANT WARNING!
Take care not to invert the polarities when connecting the unit to the battery. If this happens, the control
plate does not come on and the unit does not work.
Az
Blue
N
Black
R
Red
V
Green
B
White
A
Yellow
Na
Orange
M
Brown
Return
air sensor
Anti-freeze
sensor
Electronic
control
Centrifugal
blower
Connection
hub
Compressor
Compressor
electronic
module
Condenser
fan
Battery /
Fuse box

Related product manuals