EasyManua.ls Logo

dirna Bergstrom TRP LITE - Page 34

dirna Bergstrom TRP LITE
Print Icon
To Next Page IconTo Next Page
To Next Page IconTo Next Page
To Previous Page IconTo Previous Page
To Previous Page IconTo Previous Page
Loading...
LITE
34
®
FR
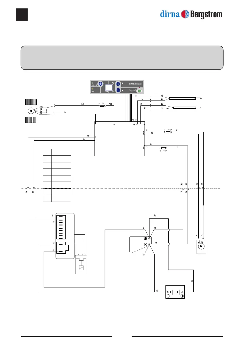
Schéma électrique
AVIS IMPORTANT !
Attention de ne pas inverser les polarités au moment de connecter l’équipement à la batterie. Si cela
se produisait, la plaque de commande ne s’allumerait pas et l’équipement ne fonctionnerait pas.
Az
Bleu
N
Noir
R
Rouge
V
Vert
B
Blanc
A
Jaune
Na
Orange
M
Marron
Capteur
air de retour
Capteur
antigel
Contrôle
électronique
Soufeur
centrifuge
Centre de
connexions
Compresseur
Commande
électronique
compresseur
Ventilateur du
condenseur
Batterie /
Boîte à fusibles

Related product manuals