EasyManua.ls Logo

dirna Bergstrom TRP LITE - Page 44

dirna Bergstrom TRP LITE
Print Icon
To Next Page IconTo Next Page
To Next Page IconTo Next Page
To Previous Page IconTo Previous Page
To Previous Page IconTo Previous Page
Loading...
LITE
44
®
GE
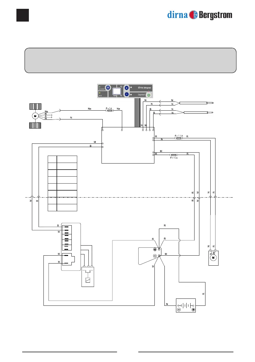
Schaltplan
WICHTIGER HINWEIS!
Achtung: Die Polaritäten beim Anschluss des Geräts an die Batterie nicht invertieren. Ist dies der Fall,
schaltet sich die Bedientafel nicht ein und das Gerät funktioniert nicht.
Az
Blau
N
Schwarz
R
Rot
V
Grün
B
Weiss
A
Gelb
Na
Orange
M
Braun
Sensor
(Rückluft)
Frostschutzfühler
Elektroniksteuerung
Zentrifugalgebläse
Schaltzentrum
Kompressor
Kompressor
electronisches
modul
Kondensatorlüfter
Batterie /
Sicherungskasten

Related product manuals