EasyManua.ls Logo

dirna Bergstrom TRP LITE - Page 74

dirna Bergstrom TRP LITE
Print Icon
To Next Page IconTo Next Page
To Next Page IconTo Next Page
To Previous Page IconTo Previous Page
To Previous Page IconTo Previous Page
Loading...
LITE
74
®
CZ
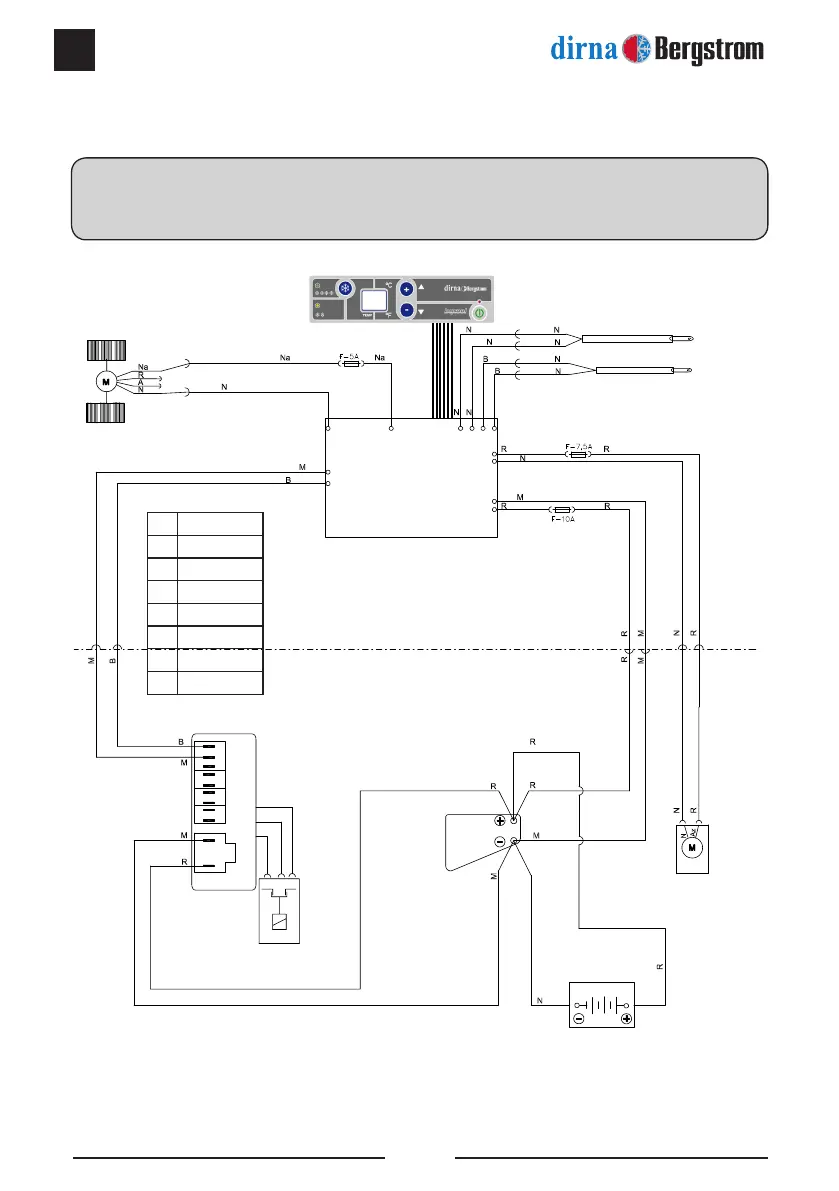
Elektrické schéma
DŮLEŽITÉ UPOZORNĚNÍ!
Dejte pozor, aby při zapojení zařízení k baterii nedošlo ke změně polarity. Pokud by k tomu došlo,
ovládací panel se nerozsvítí a zařízení nebude fungovat.
Az
Modrý
N
Black
R
Červený
V
Zelený
B
Cíl
A
Žlutý
Na
Oranžový
M
Hnědý
Senzor pro zpětný
přívod vzduchu
Senzor
námrazy
Elektronické
ovládání
Odstředivý
ventilátor (dmychadlo)
Kompresor
Řídicí
modul
kompresoru
Ventilátor
kondenzátoru
akumulátor /
Pojistkové
skříňce

Related product manuals