EasyManua.ls Logo

dirna Bergstrom TRP LITE - Page 84

dirna Bergstrom TRP LITE
Print Icon
To Next Page IconTo Next Page
To Next Page IconTo Next Page
To Previous Page IconTo Previous Page
To Previous Page IconTo Previous Page
Loading...
LITE
84
®
NL
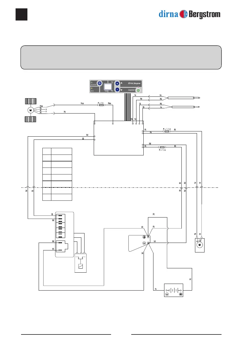
Elektrisch schema
BELANGRIJKE WAARSCHUWING!
Let op dat bij het aansluiten van de voeding op het apparaat de polariteit niet omgedraaid wordt. Indien
dit het geval is, zal het knoppenpaneel niet inschakelen en zal het apparaat niet werken.
Az
Blauw
N
Zwart
R
Rood
V
Groen
B
Doel
A
Geel
Na
Oranje
M
Bruin
Hercirculatiesonde
Antivries sensor
Elektronische
printplaat
Blazer
Aansluitcentrum
Compressor
Besturingseenheid
van de
Compressor
Wentylator
kondensatora
batterij /
Stoppenkast

Related product manuals