EasyManua.ls Logo

Dirna Mini cool compact - Page 16

Dirna Mini cool compact
Print Icon
To Next Page IconTo Next Page
To Next Page IconTo Next Page
To Previous Page IconTo Previous Page
To Previous Page IconTo Previous Page
Loading...
16
NA
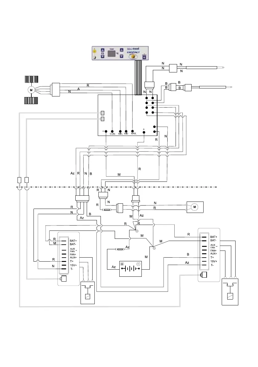
Câblage electrique
Soufante
Commande électronique
Câble de communications
Commande
électronique
compresseur
Compresseur
Compresseur
50 A. Fusible
Batterie
Electroventilateur
Adhésif
Sonde de température
Sonde antigel
10 A.
Fusible

Other manuals for Dirna Mini cool compact

Related product manuals