EasyManua.ls Logo

Dirna Mini cool compact - Page 36

Dirna Mini cool compact
Print Icon
To Next Page IconTo Next Page
To Next Page IconTo Next Page
To Previous Page IconTo Previous Page
To Previous Page IconTo Previous Page
Loading...
36
NA
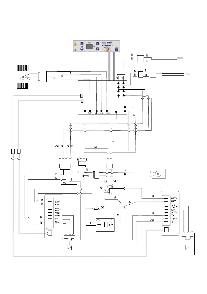
Schemat elektryczny
Ventilátor
Elektronické řízení
Spojovací kabel
Řídicí modul
kompresoru
Kompresor
Baterie
Kompresor
Pojistka 50 A.
Magnetický ventil
Pásový vodič
sonda Čidlo teploty
Sonda pro ochranu proti námraze
Pojistka
10 A.

Other manuals for Dirna Mini cool compact

Related product manuals