EasyManua.ls Logo

Dirna Mini cool compact - Page 41

Dirna Mini cool compact
Print Icon
To Next Page IconTo Next Page
To Next Page IconTo Next Page
To Previous Page IconTo Previous Page
To Previous Page IconTo Previous Page
Loading...
41
NA
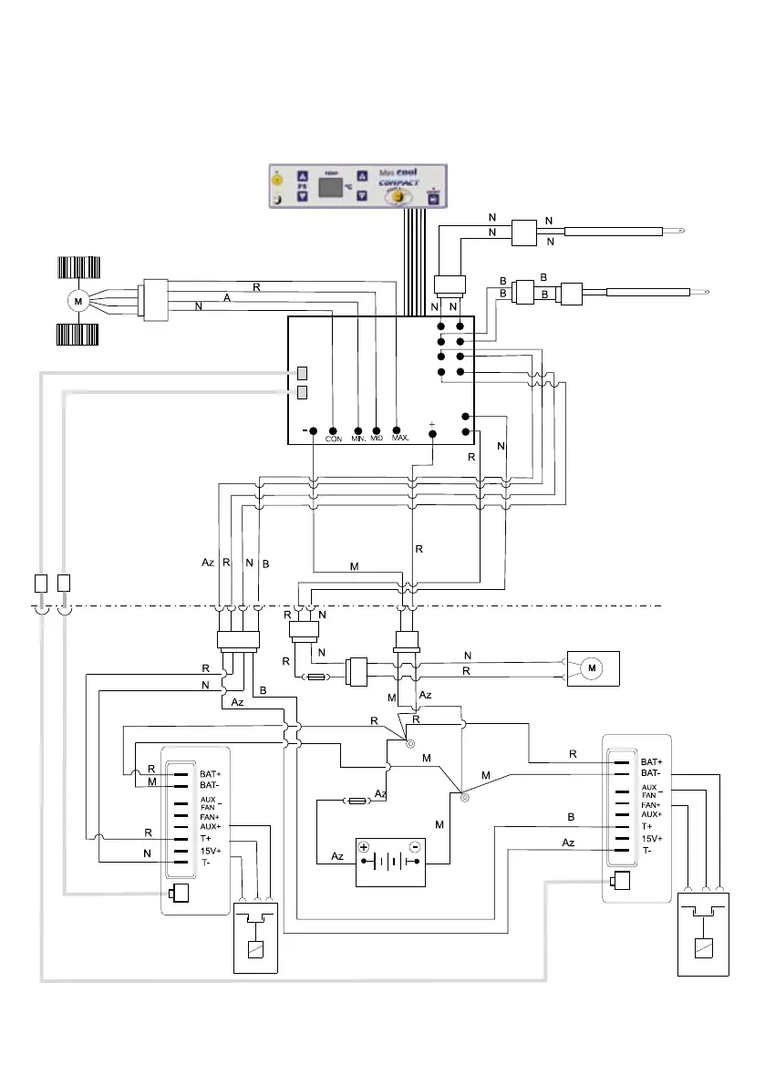
Schemat elektryczny
Ventilator
Elektronisch beheer
Besturingse-
enheid van de
Compressor
Compressor
Batterij
Compressor
50 A. Stop
Elektron
Band
Temperatuursonde
Antibevriezingssensor .
Kabel communicatie
Stop
10 A.

Other manuals for Dirna Mini cool compact

Related product manuals