EasyManua.ls Logo

DK Digital AS-200 - Page 6

DK Digital AS-200
12 pages
Print Icon
To Next Page IconTo Next Page
To Next Page IconTo Next Page
To Previous Page IconTo Previous Page
To Previous Page IconTo Previous Page
Loading...
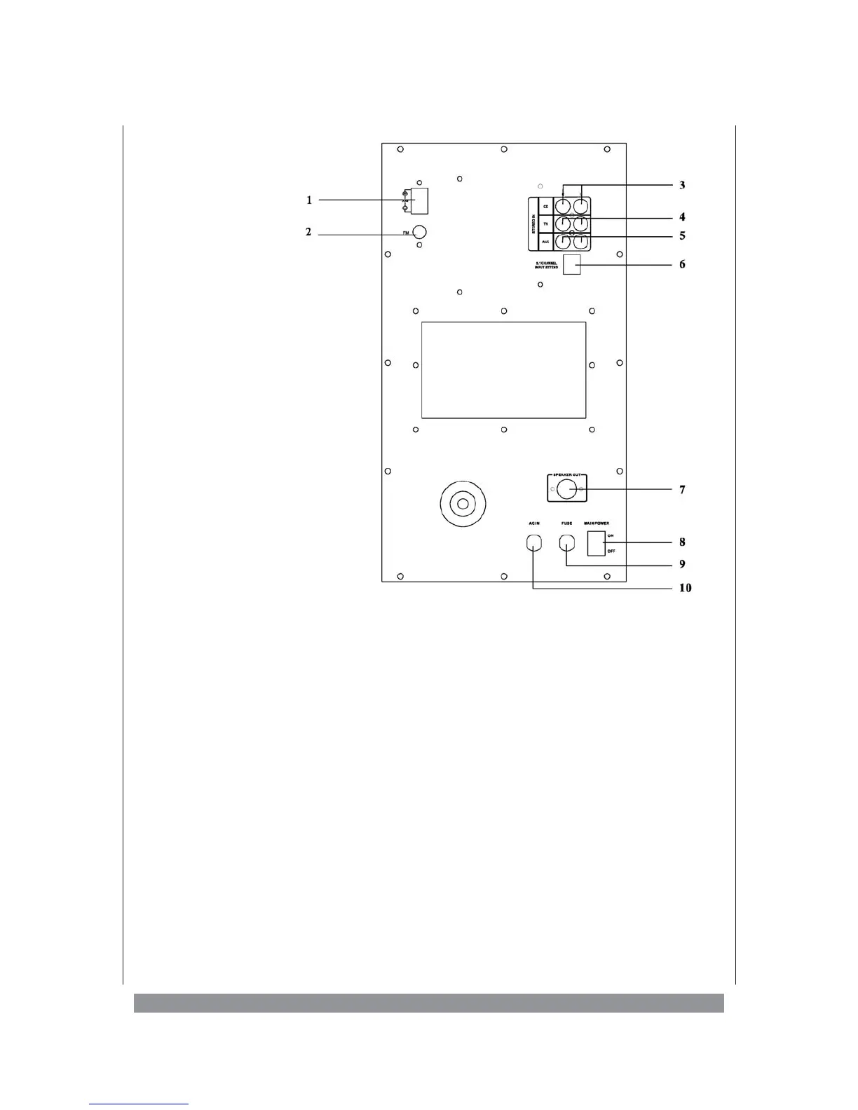
. . . and on the rear panel
1) AM Input for MW loop antenna
Please connect the lead wires of the supplied MW loop antenna here.
2) FM Input for FM dipole antenna
Please connect the supplied FM dipole antenna here.
3) CD STEREO IN 2 CHANNEL INPUT
You can connect stereo audio signals to the CD input (e.g. the audio output of a CD player).
4) TV STEREO IN 2 CHANNEL INPUT
You can connect stereo audio signals to the TV input (e.g. the audio output of a TV).
5) AUX STEREO IN 2 CHANNEL INPUT
You can connect stereo audio signals of an additional system to the AUX input.
6) 5.1 CHANNEL INPUT EXTEND 5.1 CHANNEL INPUT
Here you can connect audio systems with analogue 5.1-channel output via the supplied
adaptor cable, e.g. DVD players. The cinch plugs are provided with markings so you know
which plug belongs to which output.
6

Related product manuals