EasyManua.ls Logo

Dodge Tigear-2 - Page 8

Dodge Tigear-2
8 pages
Print Icon
To Previous Page IconTo Previous Page
To Previous Page IconTo Previous Page
Loading...
Dodge Industrial, Inc.
1061 Holland Road
Simpsonville, SC 29681
+1 864 297 4800
All Rights Reserved. Printed in USA.
MN1661 02/22
*1661-0222*
© DODGE INDUSTRIAL, INC.
AN RBC BEARINGS COMPANY
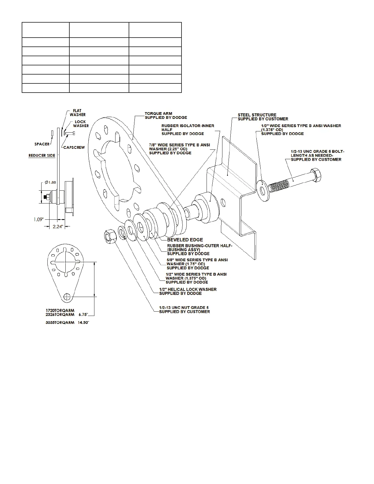
Reducer
Size
Bolt or Screw Size
Tightening
Torque (ft-lb)
17 5/16-18 17
20 5/16-18 17
23 3/8-16 30
26 3/8-16 30
30 7/16-14 48
35 7/16-14 48

Related product manuals