EasyManua.ls Logo

Dometic RM182 - Page 18

Dometic RM182
18 pages
Print Icon
To Previous Page IconTo Previous Page
To Previous Page IconTo Previous Page
Loading...
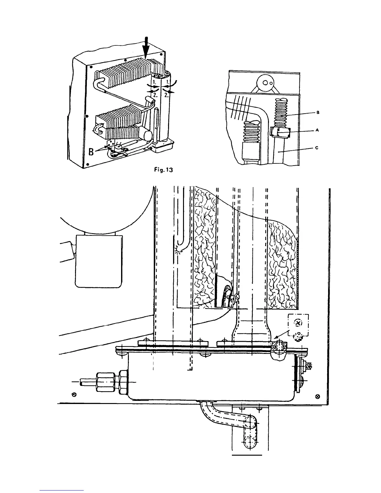
Fig.14
.
.
I
II
rl
t
--
-
Fig.15
-17-
www.westfaliaT3.info - a useful site for enthusiasts and owners of VW Westfalia T25 / T3 / Vanagon campers