EasyManua.ls Logo

Donaldson Ultrapac 2000 midi superplus 977185 - Page 61

Donaldson Ultrapac 2000 midi superplus 977185
64 pages
Print Icon
To Next Page IconTo Next Page
To Next Page IconTo Next Page
To Previous Page IconTo Previous Page
To Previous Page IconTo Previous Page
Loading...
¬Œ‚ƒ“Œ…
N
M=
a~’“‹
k~‹ƒ
a~’“‹
_ƒ~K
dƒK
k‹
N=
_pq
r‘K
rŠ’~~=OMMM
O=
b‘K„K
P=
b‘K‚K
Q=
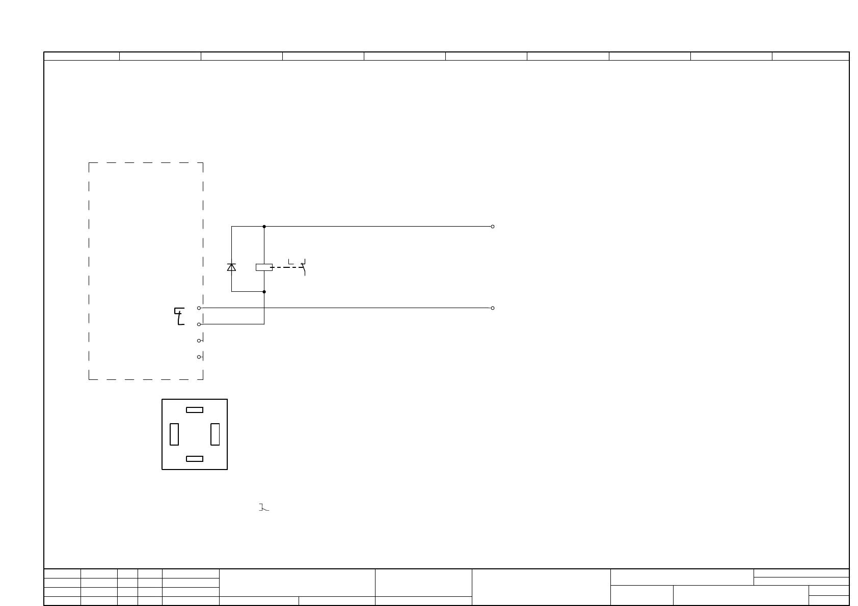
oƒŠ~‡‘=‚‡ƒ‰’=~Œ=^“‘…~Œ…
oƒŠ~—=‚‡ƒ’=’=l“’“’
R= S=
`PJMOSTO
T= U=
Z
H
V=
_ŠK
Q
_ŠK
P
O
riqo^m^`=OMMM
e‡‘†‹~ŒŒ‘’ƒ‰ƒ
O
e‡‘†‹~ŒŒ‘’ƒ‰ƒ
dka
P
O
N
P
dka
N
sN
=OKP
hN
oƒŠ~‡‘=˜‡ƒ†’=ƒ‡=^Š~‹=~Œ
oƒŠ~—=ƒŒƒ…‡˜ƒ‚=‡„=~Š~‹
‹~–K=OMM=‹^
24V DC (max. 48V DC)
Relais fällt bei Alarm ab
Relay not energized if alarm
J
.B.
02.01.2006