EasyManua.ls Logo

DongFeng S30 - Page 134

DongFeng S30
302 pages
Print Icon
To Next Page IconTo Next Page
To Next Page IconTo Next Page
To Previous Page IconTo Previous Page
To Previous Page IconTo Previous Page
Loading...
Circuit Diagrams of Electrical Appliances
21-123
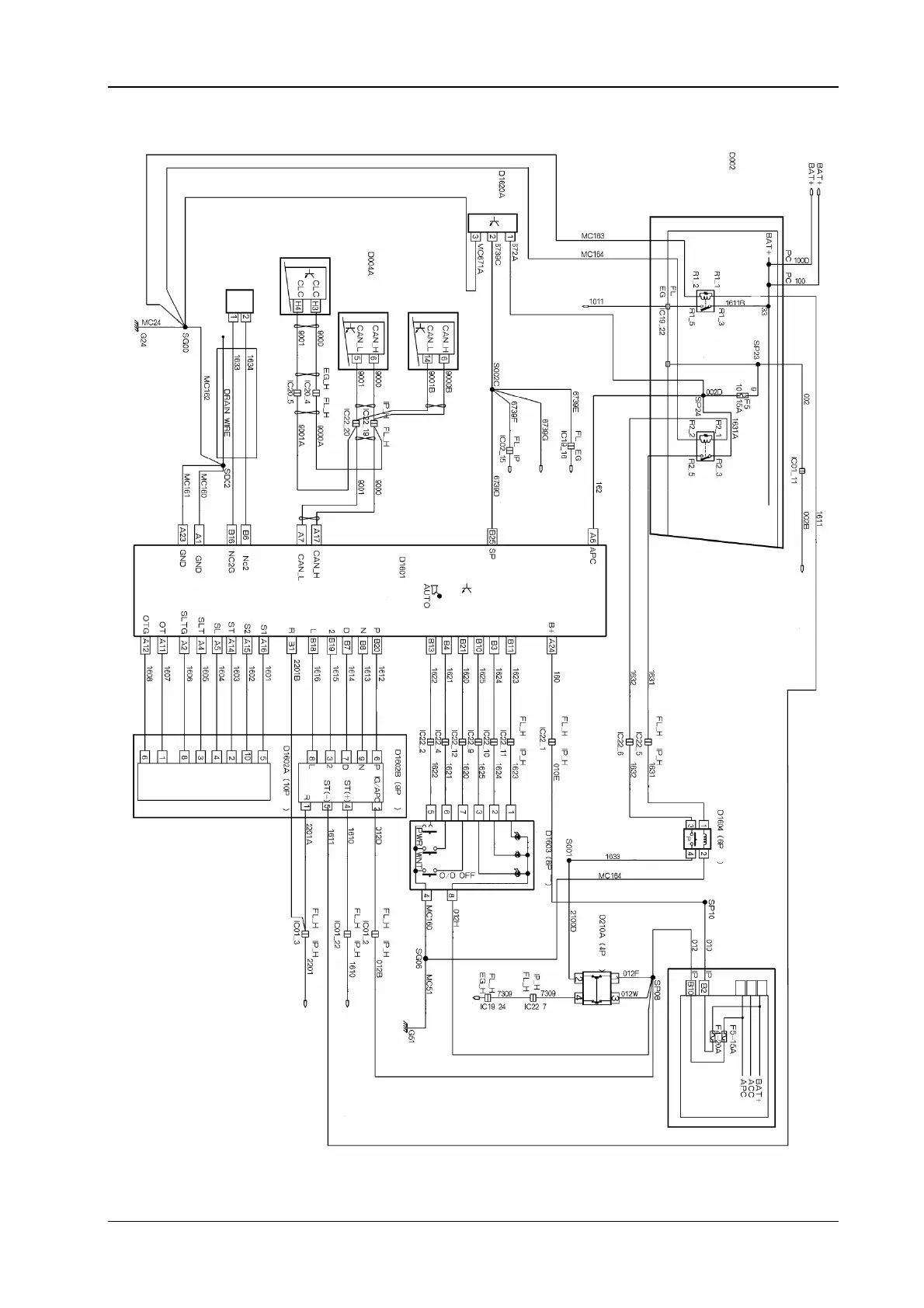
6.2 The electrical schematic diagram for the automatic transmission S30/H30
Yellow green
D1605 (2P Blue)
In
p
ut s
p
eed sensor
1320A (48P Brown)
In
p
ut s
p
eed sensor
Green Yellow
Green
Red
Green
Brown
Brown
Green
Green
Brown
Green Yellow
Green Yellow
Green
Green
Green
Brown
The combined
instrument
(
Blue
)
D003 (16P Black)
Dia
g
nostic a
pp
aratus
Grey
Blue
Green yellow
The vehicle
speed sensor
(3P Grey)
Green yellow
Green yellow
The engine
compartment
fuse box
Battery
Yellow
Blue
Yellow
Yellow
Brown
Blue
Green
Green
Grey
Green
Red
The ignition switch
(
o
p
eration
)
Transmission shift lock
rela
y
Pink
Yellow
Engine control module
(
See “en
g
ine control”
)
Green
Cabin fuse box
(
see electric door lock
)
Instrument, multi-functional
display, automatic air
conditioning module
Blue
Red
Yellow
Green
Brown
Grey
Blue
Blue
A
utomatic transmission
control module
Red
Yellow
Green
Brown
Yellow
Blue
Green
Brown
Yellow
Brown
Green
Blue
Red
Transmission unit
Grey
Grey
The gear selection switch
Grey
Green
Green
Green
Green
Green
Brown
Green yellow
Yellow green
Yellow
Movement mode light
Snow mode light
The overspeed closing light
Green
Mode selection switch
Grey
Engine control module
(
See “en
g
ine control”
)
Red
Red
Red
Red
Red
Green yellow
Grey
Transmission shift lock
The brake switch
Red
Yellow
Cabin fuse box