EasyManua.ls Logo

DongFeng S30 - Page 136

DongFeng S30
302 pages
Print Icon
To Next Page IconTo Next Page
To Next Page IconTo Next Page
To Previous Page IconTo Previous Page
To Previous Page IconTo Previous Page
Loading...
Circuit Diagrams of Electrical Appliances
21-125
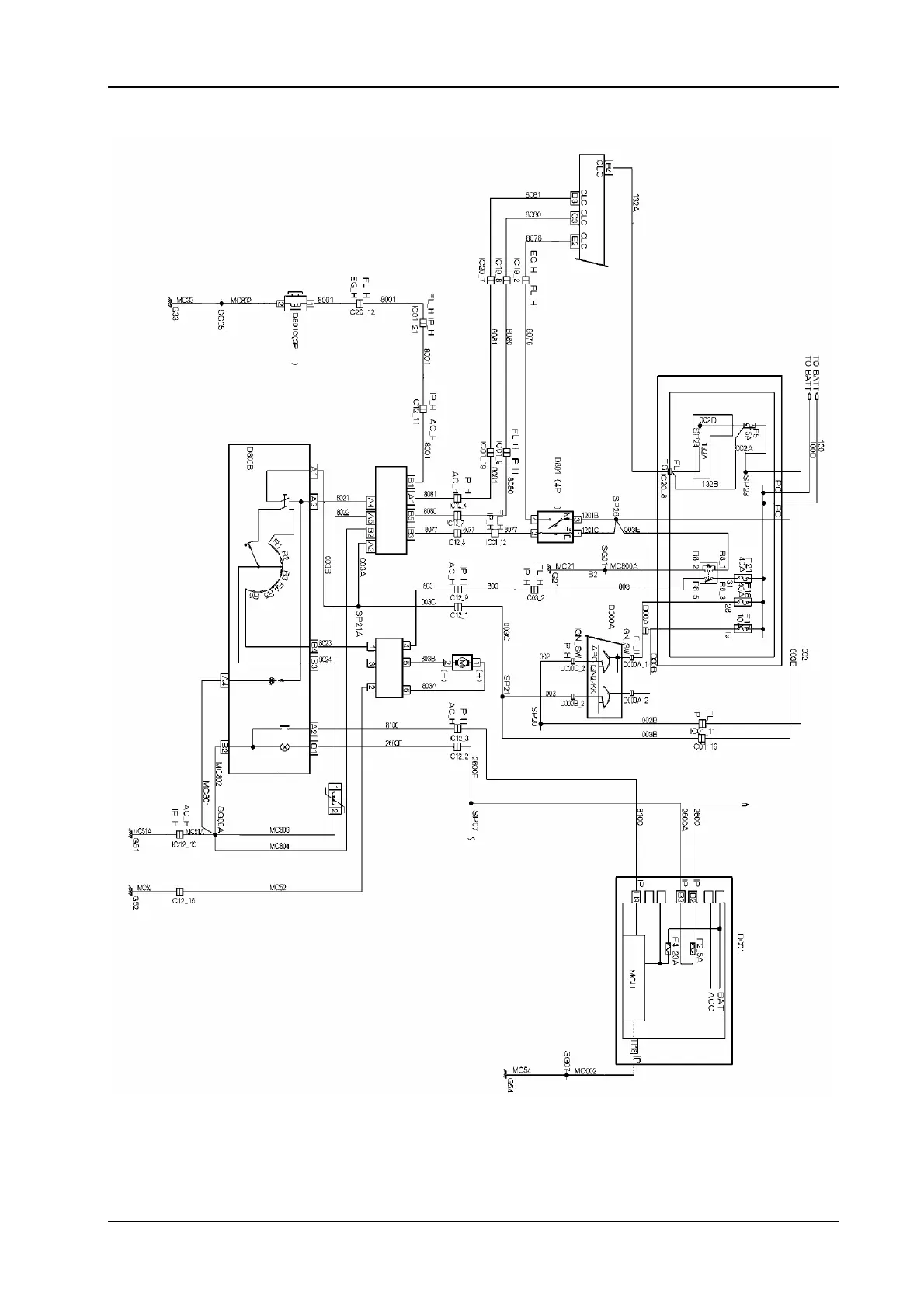
7.2 The electrical schematic diagram for the manual operated air conditioning S30/H30
Yellow green Yellow green
Green
Grey
White
A
ir conditioning
com
p
ressor
Brown
Air
conditioning
switch
A
ir conditioning
control module
The air blow speed
re
g
ulation knob
Blue
Black
White black
The temperature control
amplifier
The speed
regulation module
A
ir conditioning
indicator light
The fog
removing
switch
The back light
lam
p
Evaporator
temperature sensor
Yellow green
Yellow green
Blue
Green
Green
Yellow
Green
Blue
Green
Blue
Blue
Yellow
Brown
Yellow
Grey
Green
Green
Yellow
Yellow
Red Red
Green
yellow
Green
yellow
Green
Brown
A
ir conditioning
p
ressure switch
The ignition switch
Yellow
Brown
Red
Red
The air
blower
motor
Red
Yellow
Brown
The back
light lamp
Green
yellow
Yellow
Green
Cabin fuse box
Yellow
Green
Side light
switch
Yellow
Blue
The ai
r
blower rela
y
Green
Pink
Yellow
It is used for automatic
transmission
The engine
compartment fuse
To connect with
battery
Green