EasyManua.ls Logo

DongFeng S30 - Page 144

DongFeng S30
302 pages
Print Icon
To Next Page IconTo Next Page
To Next Page IconTo Next Page
To Previous Page IconTo Previous Page
To Previous Page IconTo Previous Page
Loading...
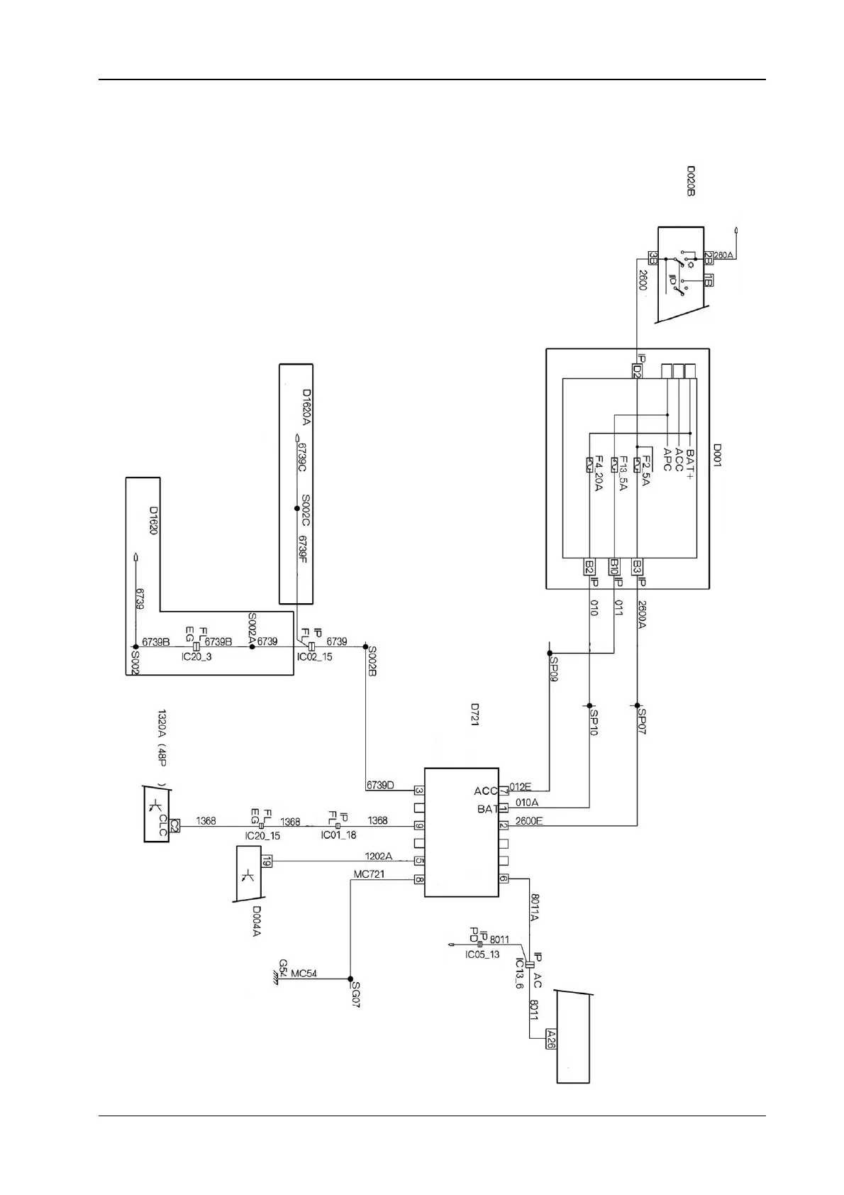
Circuit Diagrams of Electrical Appliances
21-133
11.2 The electrical location diagram for the multiple functional display S30/H30 (it is
applicable to VIN after 6 digits VIN<008679)
The vehicle s
p
eed sensor
Green
The vehicle s
p
eed sensor
***It is used for automatic transmission
***It is used for manual o
p
erated transmission
Blue
Green
Brown
Blue Blue
Brown
Brown
En
g
ine com
p
uter
Brown
Red
Green
Gre
y
Gre
y
The combined instrument
(
26P blue
)
Yell o w
g
reen
Yell o w
g
reen
The ambient tem
p
erature sensor
The vehicle
s
p
eed
The oil
consum
p
tion
Oil capacit
y
The earthin
g
The ambient
temperature
Gre
y
Yell o w
Blue
Yell o w
Yell o w
Automatic air
conditioning control
module
Yell o w
Red
Green
Cabin fuse box
To connect with the
engine compartment
Yell o w
The light combined switch
(the side light switch