EasyManua.ls Logo

DongFeng S30 - Page 150

DongFeng S30
302 pages
Print Icon
To Next Page IconTo Next Page
To Next Page IconTo Next Page
To Previous Page IconTo Previous Page
To Previous Page IconTo Previous Page
Loading...
Circuit Diagrams of Electrical Appliances
21-137
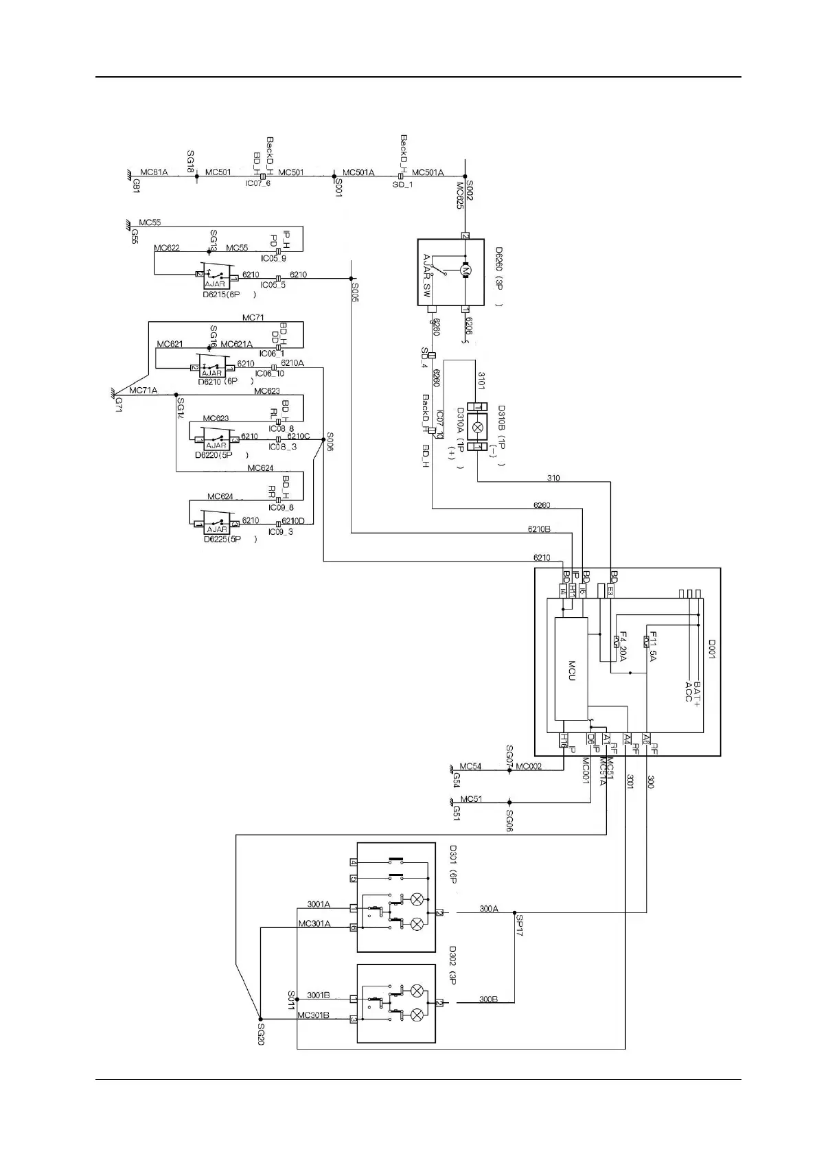
12.3 The electrical schematic diagram for the internal lighting H30
Green
y
ellow
Green
y
ellow
Green
y
ellow
Green
y
ellow
Green
y
ellow
Yell o w
g
reen
Yell o w
g
reen
Yell o w
g
reen
Yell o w
g
reen
Yell o w
g
reen
Yell o w
g
reen
Yellow Green
Brown
Yellow Red
Brown
Brown
Yell o w
Green
Yellow Red
Brown
The ri
g
ht front door lock
The left front
door lock
The left back door lock
The ri
g
ht back door lock
Theft protection
The combined
instrumen
t
Yell o w
g
reen
Yell o w
g
reen
Yell o w
g
reen
Yell o w
g
reen
Yell o w
g
reen
Green
y
ellow
Green
The back door lock assembl
y
Green
Black
Brown
Yell o w
Red
OFF
ON
The lu
gg
a
g
e com
p
artment li
g
ht
Black
Red
Brown
Green
The back door
unlock
The lu
gg
a
g
e com
p
artment li
g
ht
Cabin fuse box
Red
Green
Green
y
ellow
Green
y
ellow
Green
y
ellow
Yell o w
g
reen
Yell o w
g
reen
With sky light
Without sk
y
li
g
ht
Green
y
ellow
Green
y
ellow
Green
Green
Red
Red
The back to
p
li
g
ht
White
)
The front to
p
li
g
ht
Decline
Slide
ON
ON
ON
ON
OFF
OFF
The vehicle door
The vehicle door
White
)