EasyManua.ls Logo

DongFeng S30 - Page 160

DongFeng S30
302 pages
Print Icon
To Next Page IconTo Next Page
To Next Page IconTo Next Page
To Previous Page IconTo Previous Page
To Previous Page IconTo Previous Page
Loading...
Circuit Diagrams of Electrical Appliances
21-147
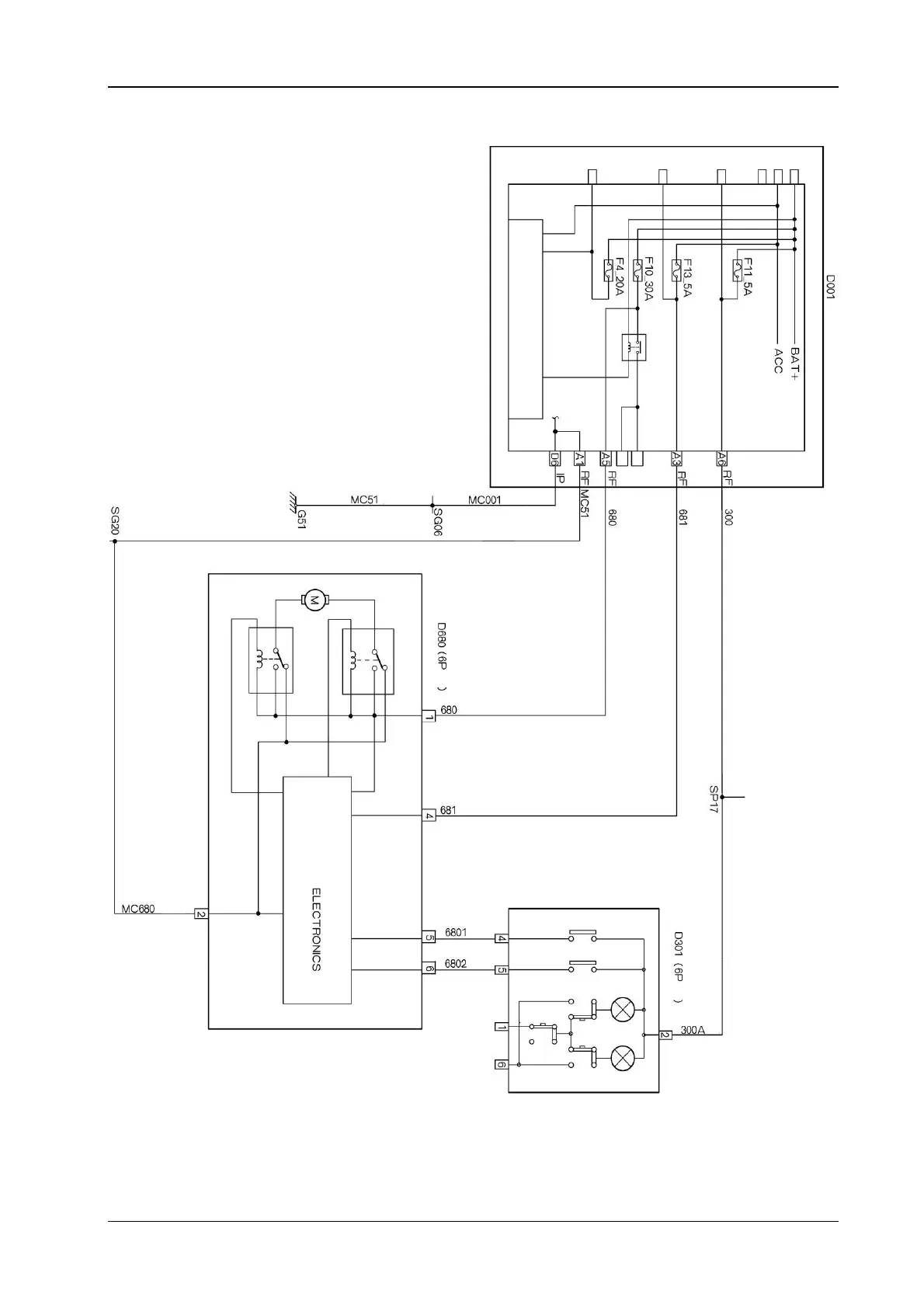
15.2 The electrical schematic diagram for the electric sun roofS30/H30)
Green
y
ellow
Yell o w
green
Cabin fuse box
The left back electric car relay
Red
Red
Yell o w
Yellow green
White
The sky light control module
OFF
ON
Yell o w
g
reen
Green
Brown
Decline
Slide
OFF
ON
OFF
ON
The vehicle door
White
The front top light