EasyManua.ls Logo

DongFeng S30 - Page 172

DongFeng S30
302 pages
Print Icon
To Next Page IconTo Next Page
To Next Page IconTo Next Page
To Previous Page IconTo Previous Page
To Previous Page IconTo Previous Page
Loading...
Electrical appliances circuit diagram
21-32
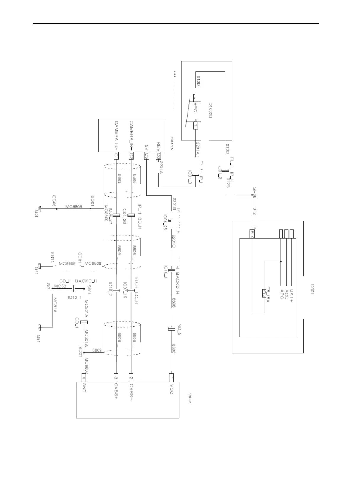
1.4- Schematic diagram for the reversing image electrical appliances (H30)
Used for automatic transmission
Shift selection switch
Grey
Green
Grey
Green
A
udio sysem
Green
Green
Green
RedRedRed
Red
Brown Brown
Brown
Green
yellow
Yellow green
Yellow green
Yellow green
Brown
Red
Cabin fuse box
Reversing camera
Brown Brown
Green
yellow
Green
yellow
Yellow
Green
Green