EasyManua.ls Logo

DongFeng S30 - Page 187

DongFeng S30
302 pages
Print Icon
To Next Page IconTo Next Page
To Next Page IconTo Next Page
To Previous Page IconTo Previous Page
To Previous Page IconTo Previous Page
Loading...
Circuit Diagrams of Electrical Appliances
21-164
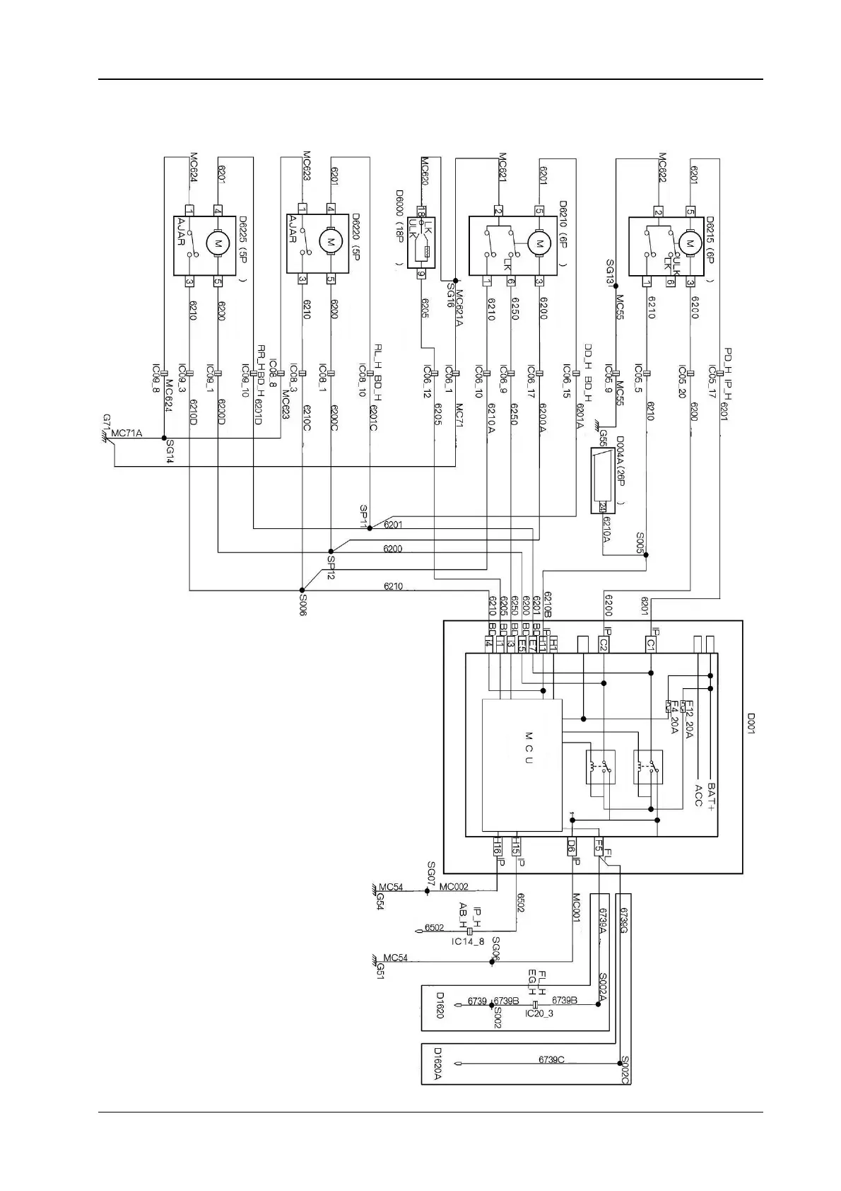
21.2 The electrical schematic diagram for the electric door lock S30/H30 (It is applicable to 6
digits after VIN, VIN <037670)
Yell o w
g
reen
Green
y
ellow
Green
Green
Yell o w
g
reen
Yell o w
g
reen
Yell o w
g
reen
Off
Off
On
On
Yell o w
Red
Yell o w
Red
Green
Red
Brown
Brown
)
White
)
The right back door
lock assembl
y
The left back door
lock assembl
y
The driver lock main
switch
Brown
Green
Brown
Yell o w
Green
y
ellow
Red
Red
Brown
Red
Red
Green
y
ellow
Gre
y
Green
Red
Brown
)
Brown
)
Green
Green
Green
y
ellow
Green
y
ellow
Yell o w
g
reen
Yell o w
g
reen
Yell o w
Red
Red
Yell o w
Green
Green
y
ellow
Green
The left front door
lock assembl
y
The right front door
lock assembl
y
Off
On
On
Off
Contact
State
unlock
Al
arm
li
g
ht
f
or
th
e
vehicle door not
being closed
Blue
The combined
instrument
Yell o w
Yell o w
g
reen
Yell o w
g
reen
Brown
Green
y
ellow
Brown
Green
Green
Blue
Yell o w
g
reen
Blue
Blue
The vehicle
speed senso
r
The vehicle
speed senso
r
***It is used for
manual operated
transmission
It is used for
automatic
transmission
The door locking relay
The door unlocking
relay
The right front door locking state
Contact switch
The left front door locking state
The left front door unlocking switch
Cabin fuse box