EasyManua.ls Logo

DongFeng S30 - Page 192

DongFeng S30
302 pages
Print Icon
To Next Page IconTo Next Page
To Next Page IconTo Next Page
To Previous Page IconTo Previous Page
To Previous Page IconTo Previous Page
Loading...
Circuit Diagrams of Electrical Appliances
21-169
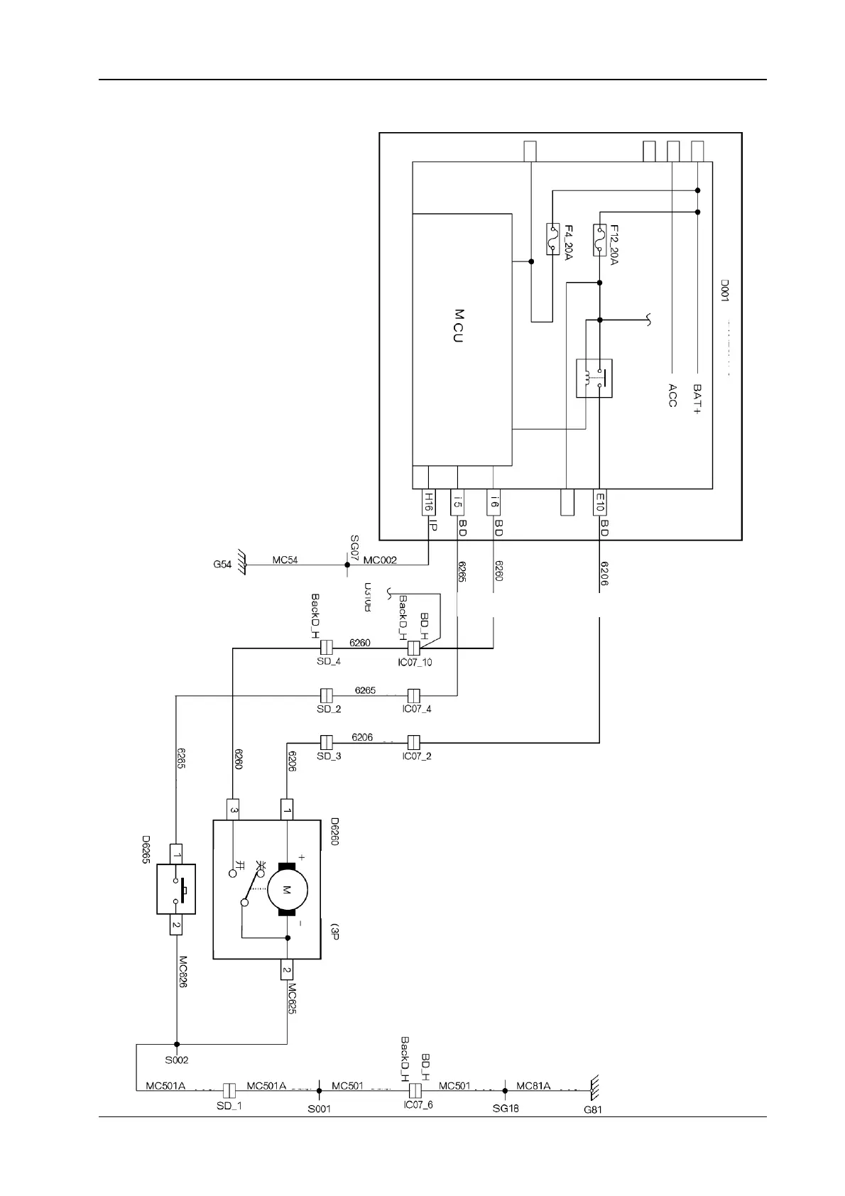
22.4 The electrical schematic diagram for the back door unlocking H30
Yellow
green
Yellow
green
The luggage compartment unlocking relay
Cabin fuse box
Green
Green
Yell o w
Brown
Yellow
Yellow
Yell o w
The luggage
com
p
artment li
g
ht
(
-
)
The back door lock
assembly
The back door unlocking switch
The back door contact switch
Yell o w
Green
Green)
Green
yellow
Yell o w
green
Yellow
green
Yellow
green
Yellow
green
Yellow
green
Yellow
green