EasyManua.ls Logo

DongFeng S30 - Page 191

DongFeng S30
302 pages
Print Icon
To Next Page IconTo Next Page
To Next Page IconTo Next Page
To Previous Page IconTo Previous Page
To Previous Page IconTo Previous Page
Loading...
Circuit Diagrams of Electrical Appliances
21-168
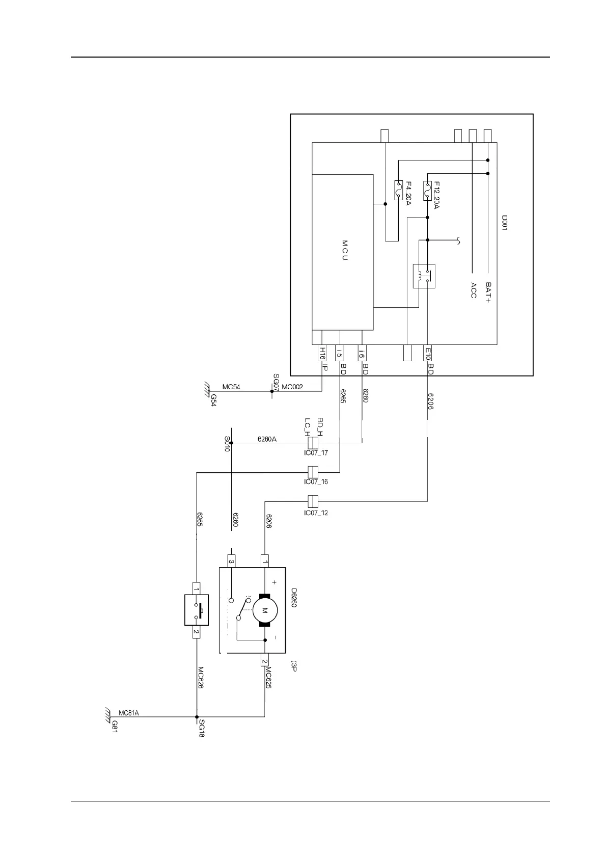
22.3 The electrical schematic diagram for the back door unlocking S30
Yellow
green
Yellow
green
The luggage compartment unlocking relay
Cabin fuse box
Green
Green
Yell o w
Brown
Yell o w
Yell o w
Green
Yellow
green
Yell o w
green
Green
yellow
Green)
The luggage compartment
unlocking switch
The luggage
compartment lock
assembly
Of
f
On
The luggage compartment contact switch