EasyManua.ls Logo

Doosan 7/20 - Fault Finding

Doosan 7/20
52 pages
Print Icon
To Next Page IconTo Next Page
To Next Page IconTo Next Page
To Previous Page IconTo Previous Page
To Previous Page IconTo Previous Page
Loading...
ELECTRICAL SYSTEM 39
7/20, P65
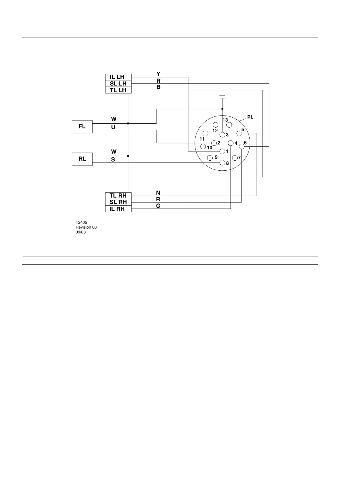
SCHEMATIC DIAGRAM FOR EUROPEAN CE LIGHTING SYSTEM - 13 PINS REVERSE LIGHT, STEEL CANOPY OPTION
KEY
IL LH Indicator light - left hand
IL RH Indicator light - right hand
FL Fog light
RL Reverse light
SL LH Stop light - left hand
SL RH Stop light - right hand
TL LH Tail light - left hand
TL RH Tail light - right hand
PL Plug
B Black
G Green
K Pink
N Brown
O Orange
P Purple
R Red
S Grey
U Blue
W White
Y Yellow

Other manuals for Doosan 7/20

Related product manuals