EasyManua.ls Logo

Doosan 7/41 - Page 36

Doosan 7/41
90 pages
Print Icon
To Next Page IconTo Next Page
To Next Page IconTo Next Page
To Previous Page IconTo Previous Page
To Previous Page IconTo Previous Page
Loading...
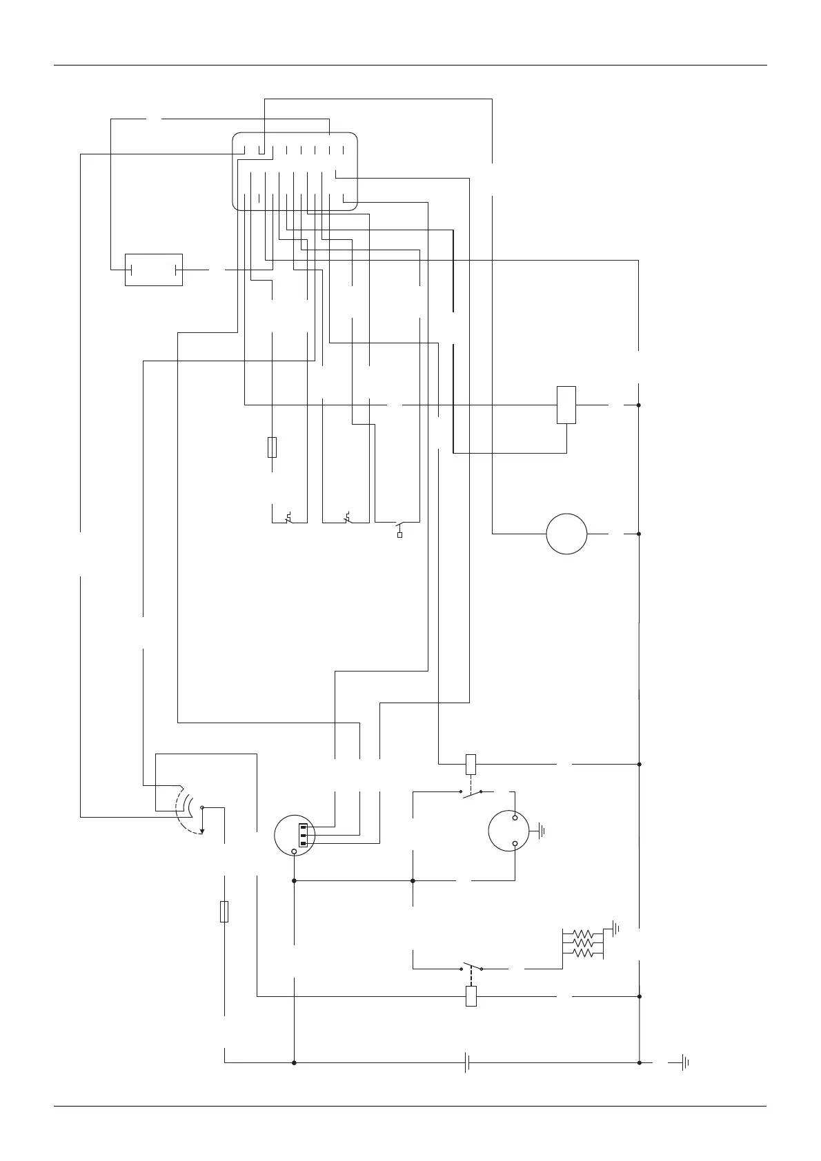
32 ELECTRICAL SYSTEM
7/26E, 7/31E, 7/41
R12
Y18
R12
R/O18
R/O16
R/O12
R/O12
R12
R12
R12
U12
N18 N18
N18
U18
W16
W18
W18
G18
G18
U18
U18
U18
N18
Y18
U16
U18
N16
N16
N16
N16
R2 R1
FP
PS1
TS3
TS1
H
P1
SV1
AH
M
B
12V
U18
Y18
G18
F1
15A
A B
F2
5A
A B
-
+
1
2
3
4
5
6
9
10
11
12
13
14
15
7
8
16
17
18
19
20
21
22
23
B+
P
+ 1
2
1
2
B+ SOL
3
5
3
5
1
2
2
c
2
c
_
+
(c)
PULL
(BR)
(E)
HOLD
GND
_
LIG
1
2 3 4
0
SO
S1
G
46600559
Revision B
03/18
7/26E, 7/31E

Other manuals for Doosan 7/41

Related product manuals