EasyManua.ls Logo

Doosan 7/41 - Options

Doosan 7/41
90 pages
Print Icon
To Next Page IconTo Next Page
To Next Page IconTo Next Page
To Previous Page IconTo Previous Page
To Previous Page IconTo Previous Page
Loading...
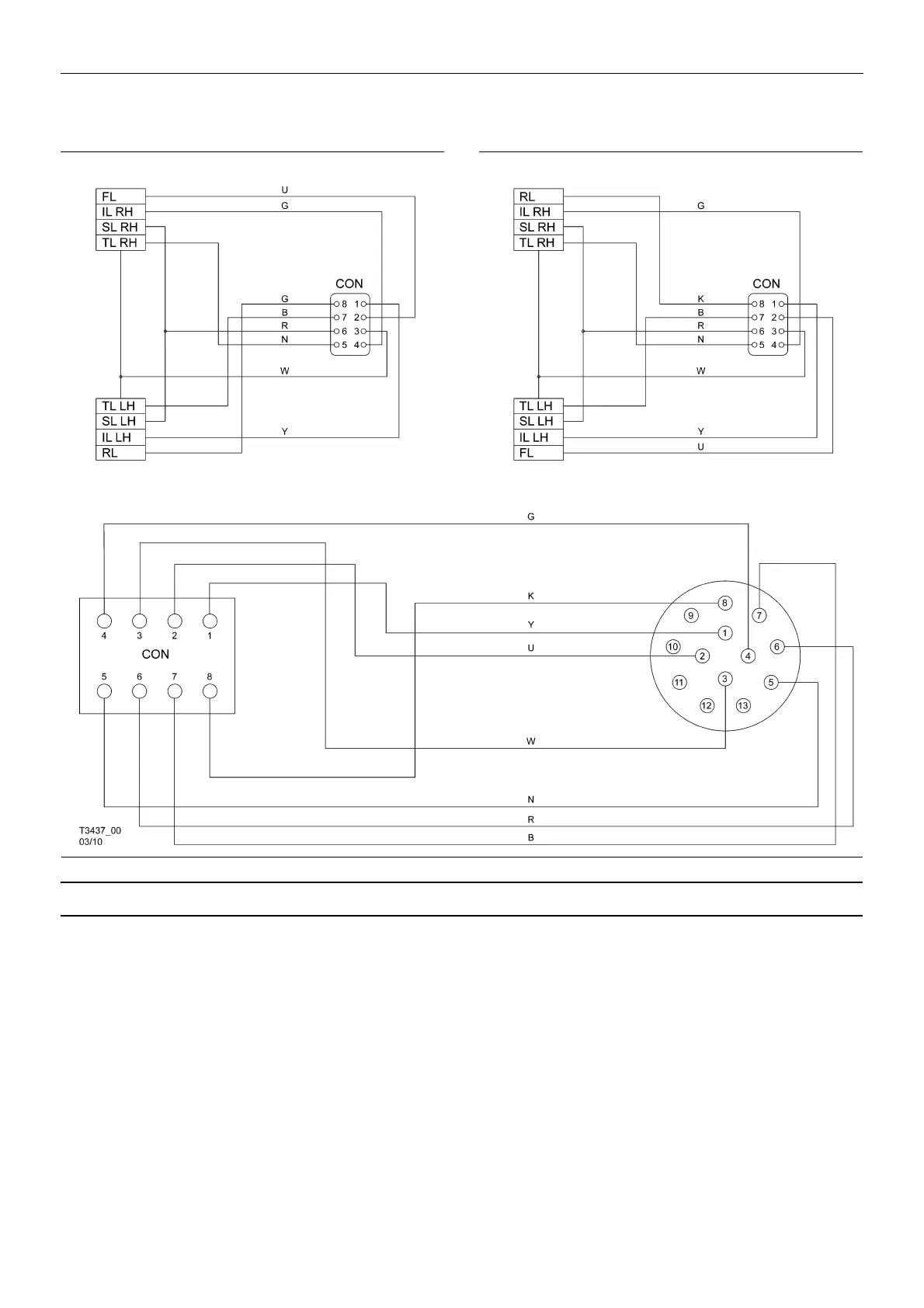
38 ELECTRICAL SYSTEM
7/26E, 7/31E, 7/41
Schematic Diagram for European UK
Lighting System: 13 pin reverse light,
polymer canopy option.
Schematic Diagram for European
Continental Lighting System: 13 pin reverse
light, polymer canopy option.
SCHEMATIC DIAGRAM FOR EUROPEAN CE LIGHTING SYSTEM
KEY
IL LH Indicator light - left hand
IL RH Indicator light - right hand
FL Fog light
RL Reverse light
SL LH Stop light - left hand
SL RH Stop light - right hand
TL LH Tail light - left hand
TL RH Tail light - right hand
PL Plug
CON Rear view of the connector
B Black
G Green
K Pink
N Brown
O Orange
P Purple
R Red
S Grey
U Blue
W White
Y Yellow

Other manuals for Doosan 7/41

Related product manuals