EasyManua.ls Logo

Dorma KTC-2 - Page 11

Dorma KTC-2
14 pages
Print Icon
To Next Page IconTo Next Page
To Next Page IconTo Next Page
To Previous Page IconTo Previous Page
To Previous Page IconTo Previous Page
Loading...
Stand 08.02.2012 Technische Änderungen vorbehalten
Software-Update_Ver1010_GB.doc DORMA KT-Systeme Seite 11 von 14
KTC-2 (MS9)
+
-
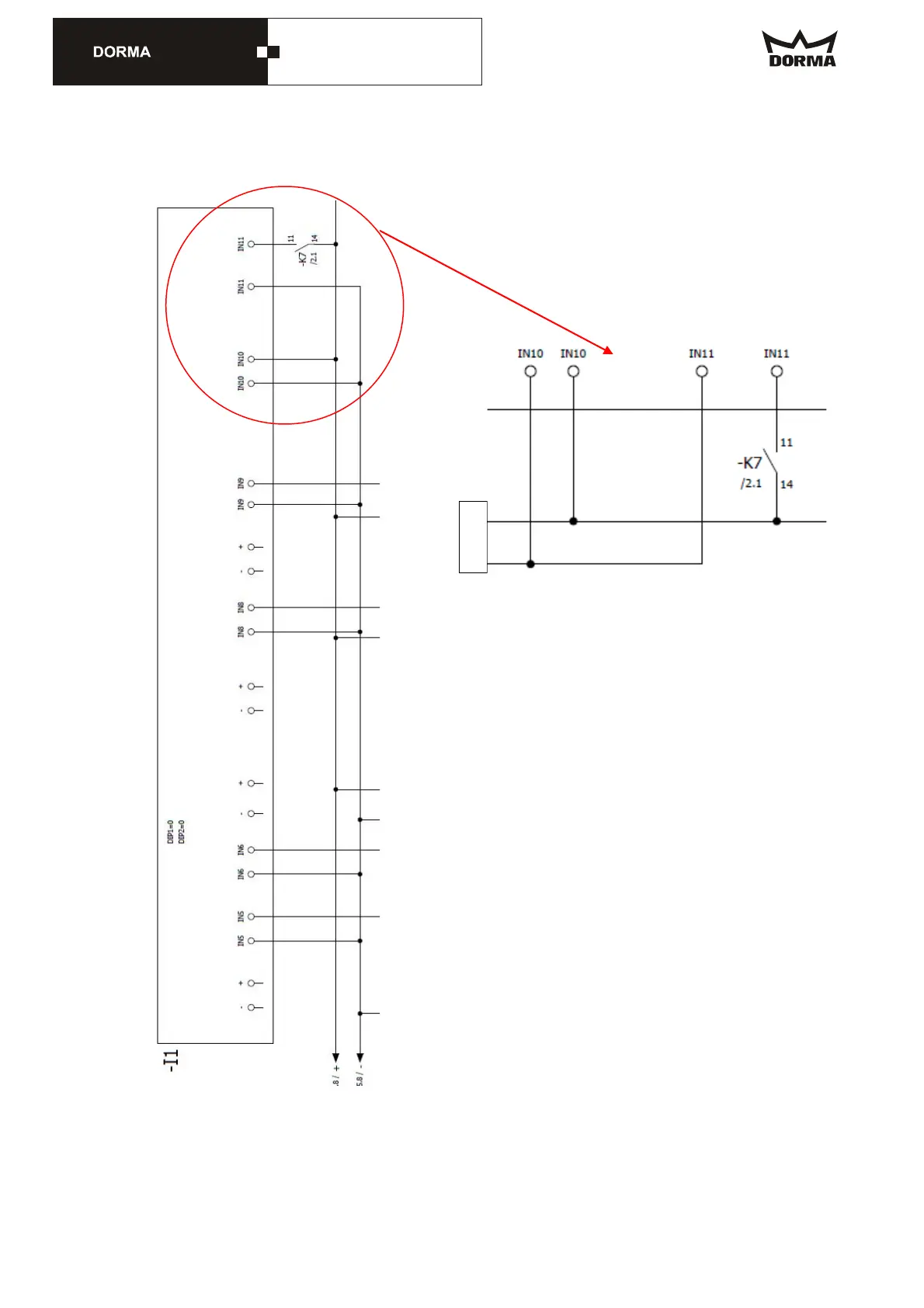
7. Re-wire the inputs in the rotating part „I1“ here IN10+11 as follows: