EasyManua.ls Logo

Dorma KTC-2 - Page 5

Dorma KTC-2
14 pages
Print Icon
To Next Page IconTo Next Page
To Next Page IconTo Next Page
To Previous Page IconTo Previous Page
To Previous Page IconTo Previous Page
Loading...
Stand 08.02.2012 Technische Änderungen vorbehalten
Software-Update_Ver1010_GB.doc DORMA KT-Systeme Seite 5 von 14
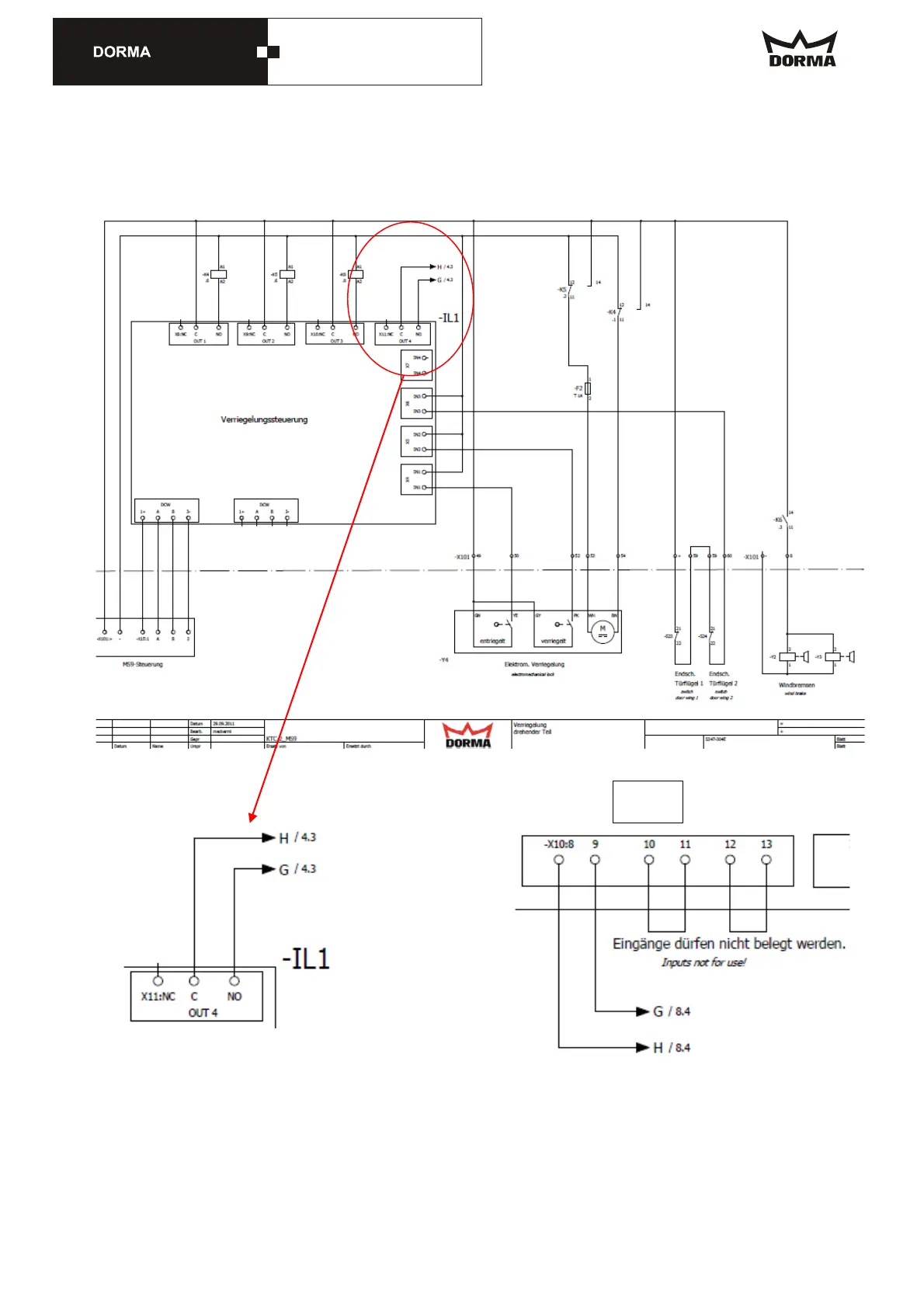
KTC-2 (MS9)
-Z1
NEW: