EasyManua.ls Logo

Dorma KTC-2 - Page 6

Dorma KTC-2
14 pages
Print Icon
To Next Page IconTo Next Page
To Next Page IconTo Next Page
To Previous Page IconTo Previous Page
To Previous Page IconTo Previous Page
Loading...
Stand 08.02.2012 Technische Änderungen vorbehalten
Software-Update_Ver1010_GB.doc DORMA KT-Systeme Seite 6 von 14
KTC-2 (MS9)
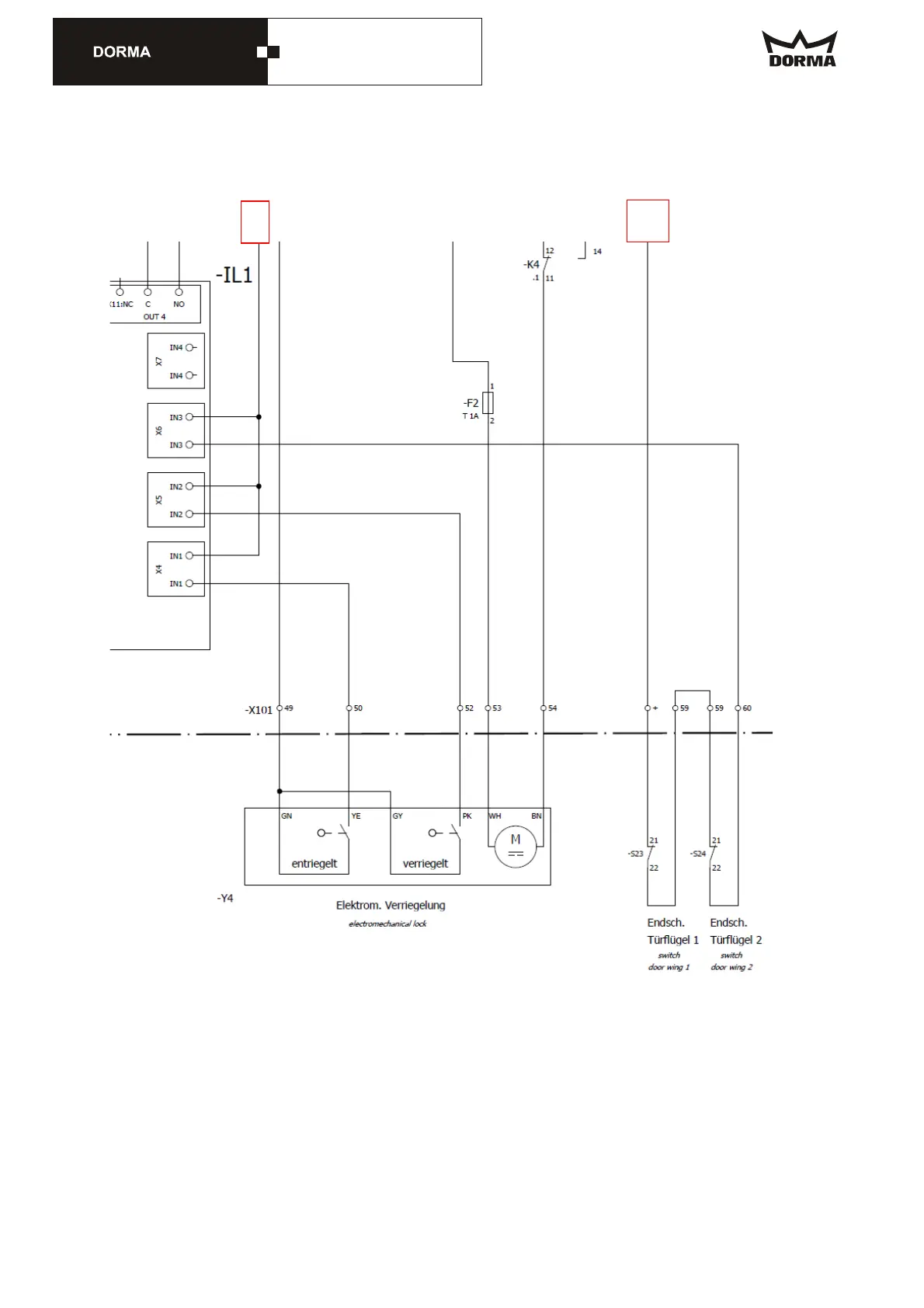
3. Please check if terminals X101:59 and 60 are connected to -IL1(see picture).
For doors with integrated sliding doors bridge –X101:+ with 60, please!
-
+