EasyManua.ls Logo

DRAGON WINCH 2000 - Page 20

DRAGON WINCH 2000
Print Icon
To Next Page IconTo Next Page
To Next Page IconTo Next Page
To Previous Page IconTo Previous Page
To Previous Page IconTo Previous Page
Loading...
www.dragonwinch.com
20
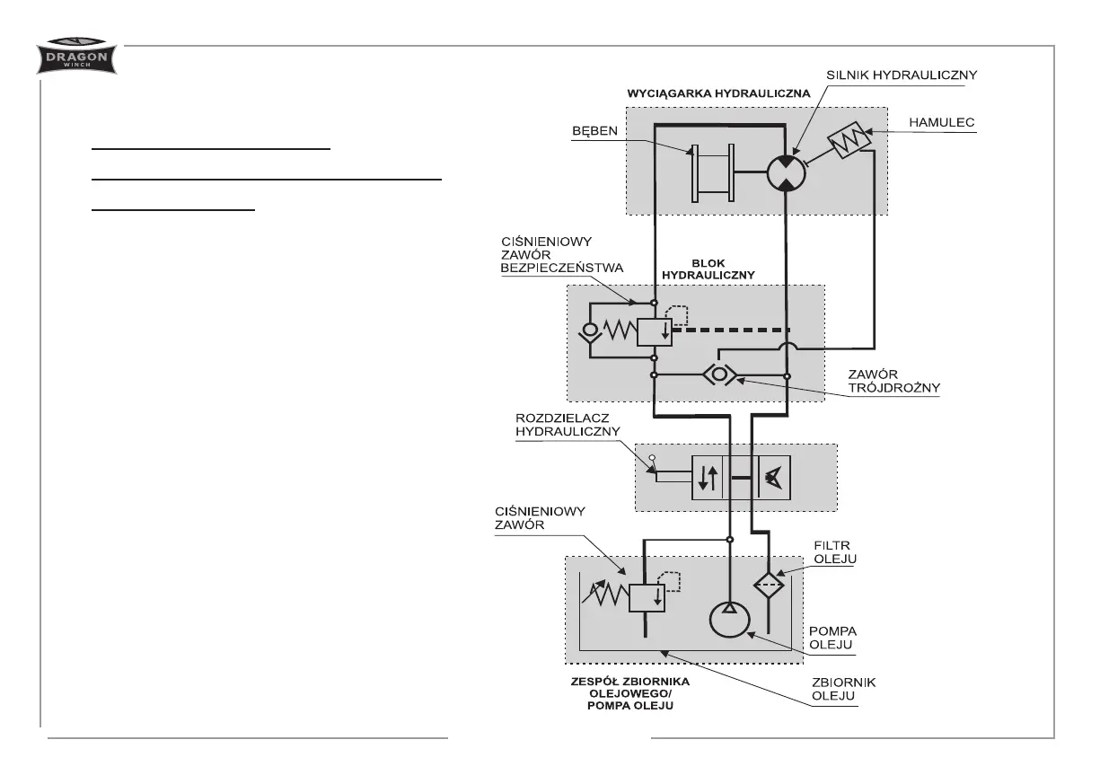
Schemat sekcja B
SCHEMAT BLOKOWY


DWHI 300 HD
DWHI 450 HD
DWHI 660 HD

Related product manuals