EasyManua.ls Logo

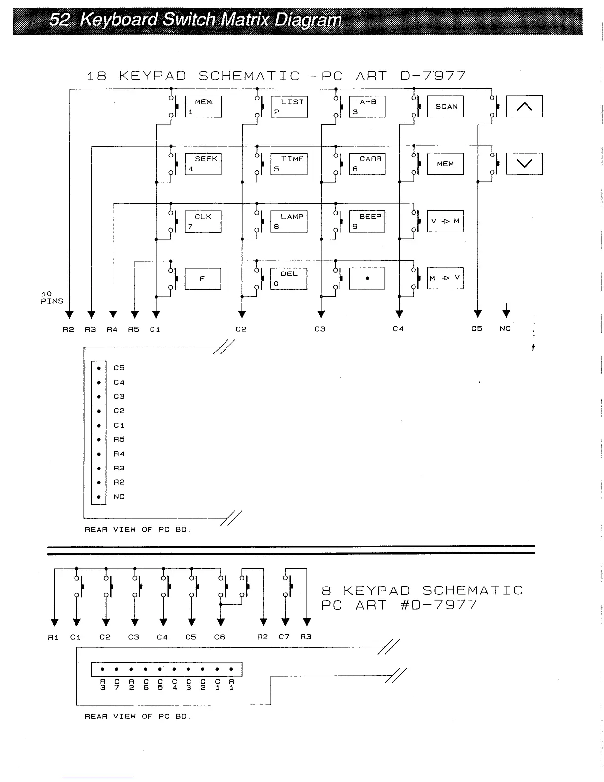
DRAKE R8 - Keyboard Switch Matrix Diagram; Keypad Schematic - PC Art; 8 Keypad Schematic PC Art

DRAKE R8
94 pages
Print Icon
To Next Page IconTo Next Page
To Next Page IconTo Next Page
To Previous Page IconTo Previous Page
To Previous Page IconTo Previous Page
Loading...

Table of Contents

Related product manuals