EasyManua.ls Logo

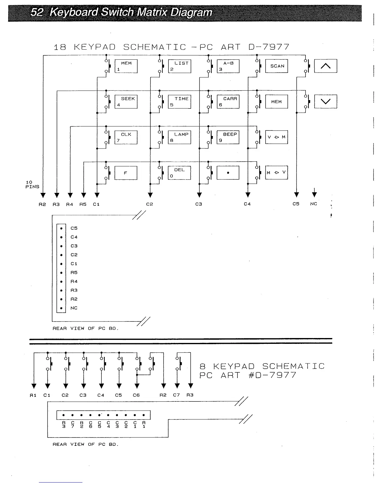
DRAKE R8E - Keyboard Switch Matrix Diagram; Keypad Schematic - PC Art; 8 Keypad Schematic PC Art

DRAKE R8E
94 pages
Print Icon
To Next Page IconTo Next Page
To Next Page IconTo Next Page
To Previous Page IconTo Previous Page
To Previous Page IconTo Previous Page
Loading...

Table of Contents

Related product manuals