EasyManua.ls Logo

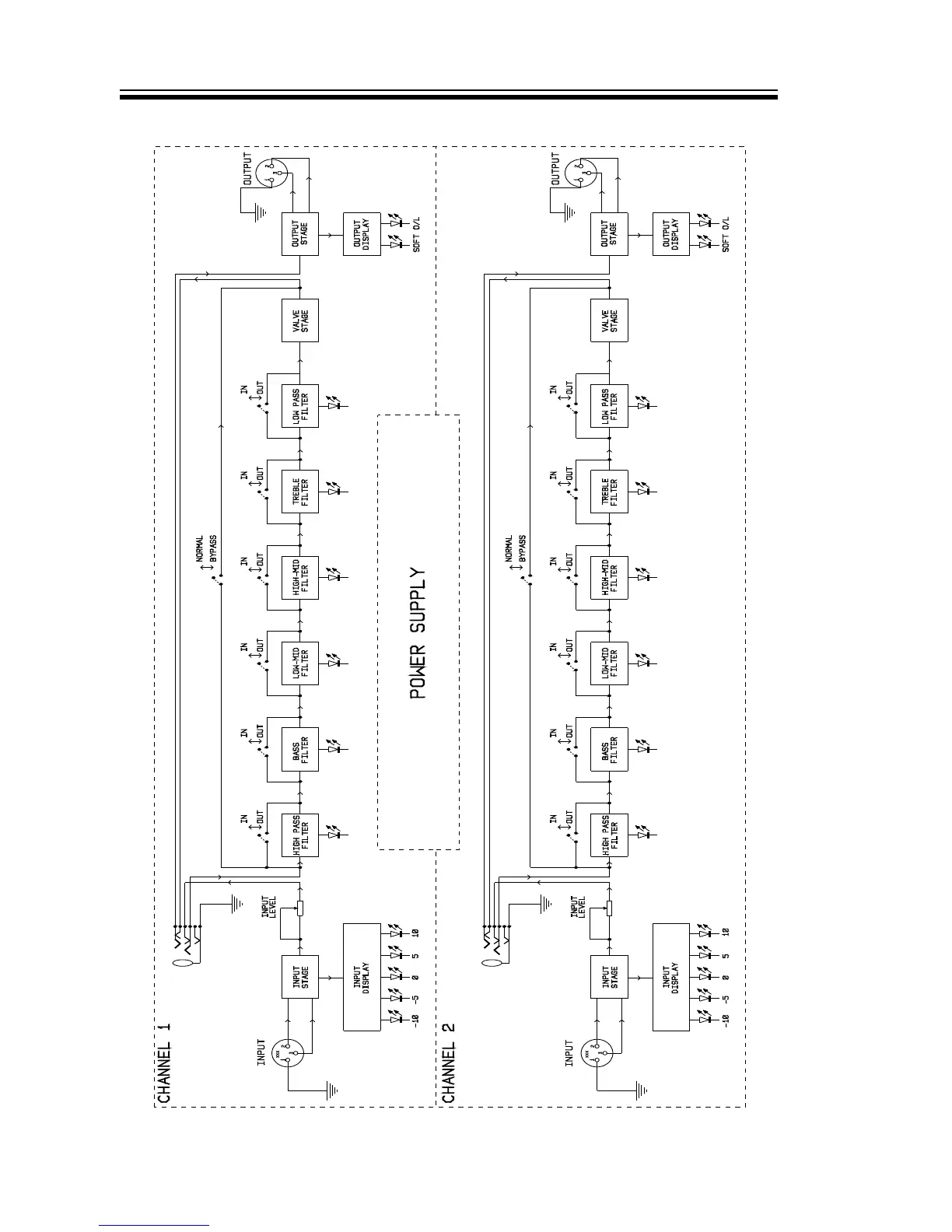
Drawmer 1961 - Block Diagram

Drawmer 1961
14 pages
Print Icon
To Previous Page IconTo Previous Page
To Previous Page IconTo Previous Page
Loading...
1961 OPERATORS’ MANUAL12
BLOCK DIAGRAM

Related product manuals