EasyManua.ls Logo

Dremel 330 - Page 12

Dremel 330
24 pages
Print Icon
To Next Page IconTo Next Page
To Next Page IconTo Next Page
To Previous Page IconTo Previous Page
To Previous Page IconTo Previous Page
Loading...
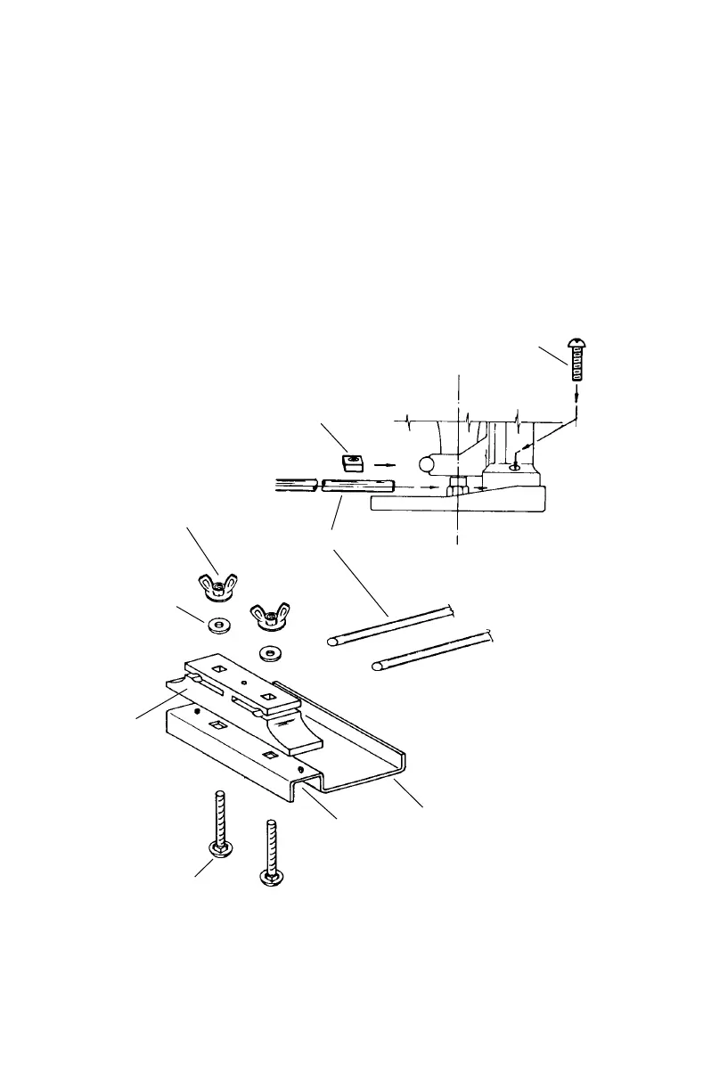
8. Pour utiliser le GUIDE, introduire les TIGES DU GUIDE
dans le support de réglage de profondeur et les fixer en
place à l’aide de deux (2) ÉCROUS CARRÉS no 10-24 et
de deux (2) VIS no 10-24 x 3/4" à empreinte cruciforme.
Les écrous carrés doivent se loger dans les fentes
situées au-dessus des tiges du guide. Les vis sont
passées par le dessus, traversant d’abord les trous, puis
les écrous, pour venir s’appuyer contre les tiges. Fixer le
guide à l’aide des BOULONS DE CARROSSERIE. Passer
ces derniers dans les trous carrés du GUIDE, puis dans
le SUPPORT DU GUIDE et les fixer en place à l’aide de
RONDELLES et d’ÉCROUS À AILETTES. (S’assurer que
les petites SAILLIES dans le support du guide se
glissent dans les trous correspondants du guide.) Glisser
de la manière illustrée l’assemblage du guide sur les
tiges. Régler le guide à la DISTANCE CHOISIE par
rapport au fer, puis serrer les vis à ailettes (se reporter à
la fig. 1).
REMARQUE : Pour toupiller un rebord ou en ligne droite,
utiliser la partie plate à l’avant de la base de toupillage.
9. Pour régler le guide à plus de 45 mm (1 3/4") du fer,
détacher le guide de ses tiges. Le retourner, puis le
glisser en place sur les tiges, mais en sens inverse. Le
guide pourra alors être réglé à une distance de 45 à 100
mm (1 1/4" à 4") (se reporter à la fig. 2).
-12-
ÉCROUS CARRÉS
VIS
BOULONS DE
CARROSSERIE
ÉCROUS À AILETTES
RONDELLES
SUPPORT
DU GUIDE
TIGES DU GUIDE
SAILLIES
GUIDE
DM 2615302558 8/98 1/11/99 1:48 PM Page 12

Related product manuals