EasyManua.ls Logo

Dremel 330 - Page 18

Dremel 330
24 pages
Print Icon
To Next Page IconTo Next Page
To Next Page IconTo Next Page
To Previous Page IconTo Previous Page
To Previous Page IconTo Previous Page
Loading...
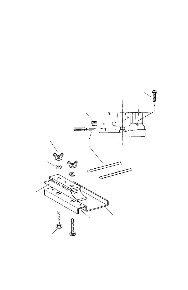
8. Para el GUIADO DE BORDES, monte unas VARILLAS
GUÍA en la abrazadera de ajuste de altura y fíjelas usando
unas (2) TUERCAS CUADRADAS nº10-24 y (2)
TORNILLOS philips #10-24 x 3/4". Las tuercas
cuadradas se deslizarán por unas ranuras situadas sobre
las varillas de guía. Los tornillos se montan desde los
orificios superiores, a través de las tuercas anteriores y
apretando las varillas. Fije la guía de bordes a los
PERNOS DE CARRO de dicha guía. Monte los pernos del
carro a través de los orificios cuadrados de la GUÍA DE
BORDE y a través de la ABRAZADERA de ésta. A
continuación, utilice las ARANDELAS y las TUERCAS DE
MARIPOSA para fijar estos elementos (tenga en cuenta
que los pequeños salientes del extremo de la abrazadera
de la guía de borde se corresponden con los orificios de
la guía de borde) Deslice el conjunto de guía de borde
sobre las varillas como se muestra en la figura. Coloque
la guía de borde a la DISTANCIA DESEADA desde el
cortador y apriete las tuercas de mariposa (fig. 1).
NOTA: aproveche la superficie lisa frontal de la base guía
para operaciones en línea recta o bordeados.
9. Si necesitan ajustes de la guía de bordes por encima
de las 1 3/4" del cortador, separe el conjunto de guía de
bordes de las varillas guía. Gire el conjunto y vuelva a
montar la abrazadera guía de borde en la varillas guía
desde el lado opuesto. A continuación, podrá fijar la guía
de borde a cualquier distancia desde el cortador, entre
1 1/4" y 4" (fig. 2).
-18-
TUERCAS CUADRADAS
TORNILLOS
PERNOS DE CARRO
TUERCAS DE MARIPOSA
ARANDELAS
ABRAZADER
A DE GUÍA
DE BORDE
VARILLAS GUÍA
SALIENTES
GUÍA DE BORDE
DM 2615302558 8/98 1/11/99 1:48 PM Page 18

Related product manuals