EasyManua.ls Logo

Dual C 818 - Page 8

Dual C 818
16 pages
Print Icon
To Next Page IconTo Next Page
To Next Page IconTo Next Page
To Previous Page IconTo Previous Page
To Previous Page IconTo Previous Page
Loading...
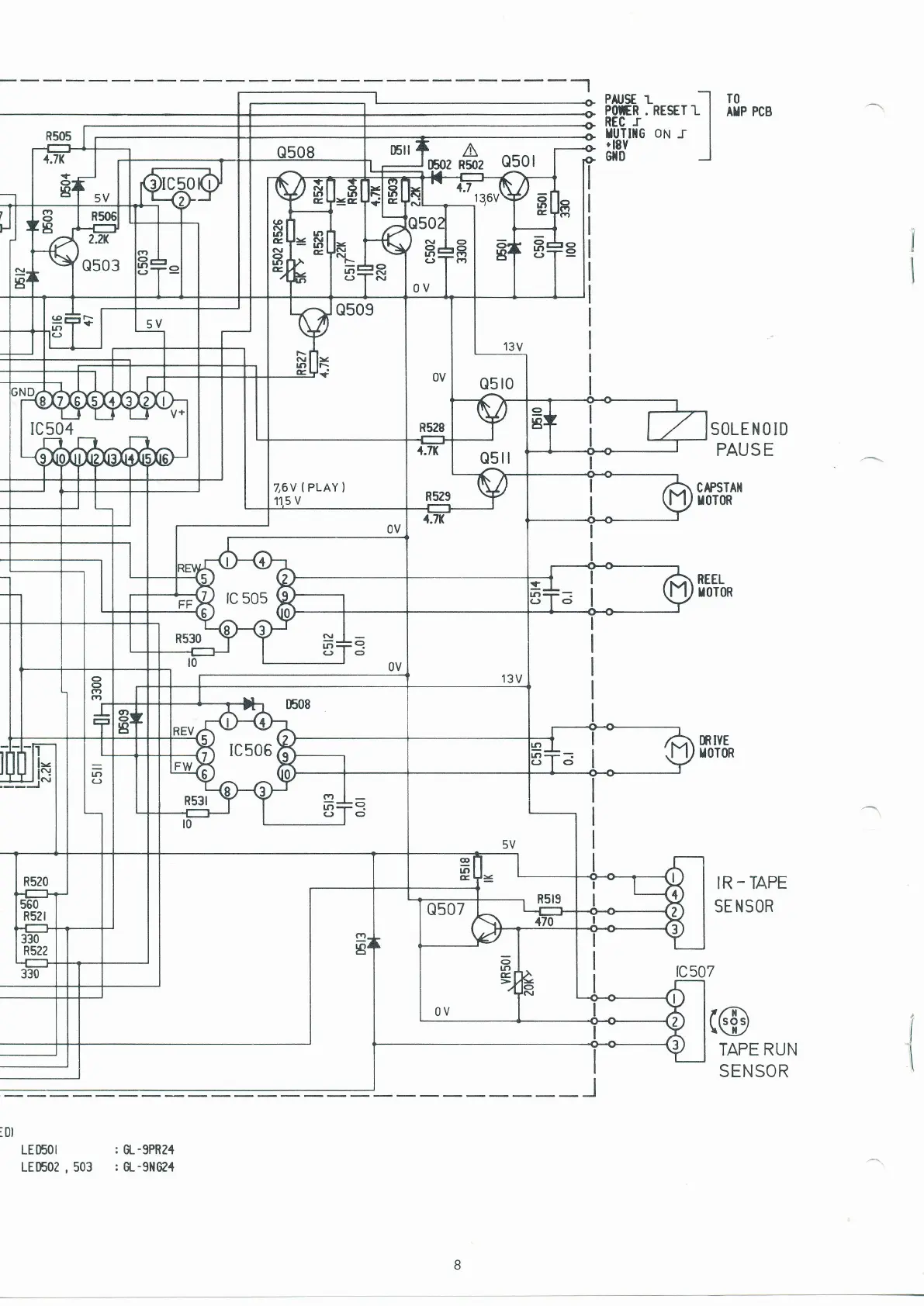
z6v
(
PLAY
)
PruSE r
-l
TO
PoffR.RESET1
I ryppcs
RECJ I
TUTII{G
oN
-r
I
.l8Y
I
GTD I
A,
osor
SOLE N O
ID
PAUSE
cAPSTAil
r0T0R
[c507
(@
TAPE RUN
SENSOR
LElIsOl
:
GL-9PR24
LEII502, 503
:
GL-9tlG?4
:Dl

Related product manuals