EasyManua.ls Logo

Dual CA 940 - Page 7

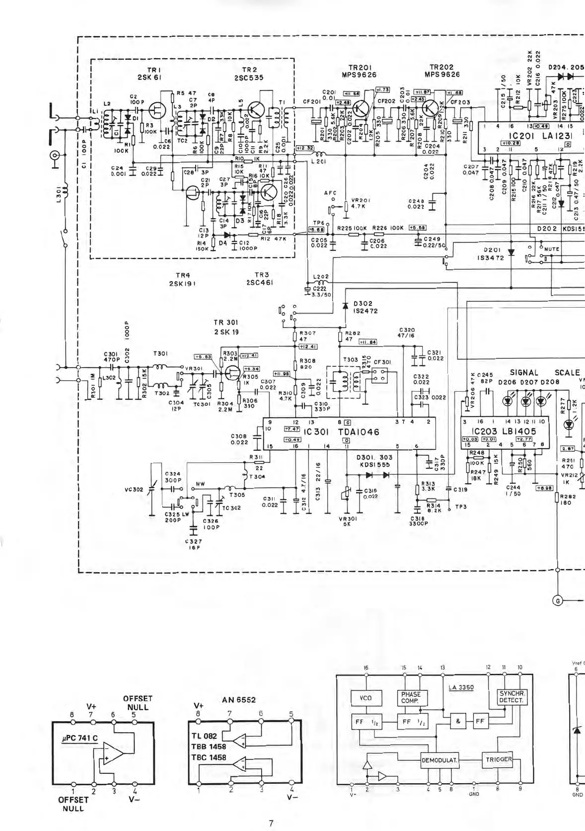
Dual CA 940
20 pages
Print Icon
To Next Page IconTo Next Page
To Next Page IconTo Next Page
To Previous Page IconTo Previous Page
To Previous Page IconTo Previous Page
Loading...
TR1
TR
2
2SK
61
2SC535
C2
L2
100P
c
i
d
+
j!
FT
RIU
0
1005
0
—1
C24
—...„_
0.001
1
0.0221
0
C301
0
1301
470P
C,
L302
R5
47
ce
C7
4P
L3
2P
1
12
-9
t1)
1
4,e
.
7r
=
TC2
8
cn
gi
2
0
cn
T
TR
201
TR202
MPS9626
MPS
9626
C201
CF
201
01
48
CF202
.
5
.
o o
0
=
Un
:
...
01
01
c..270
24
2.
c7
,
RIO
15
412.32
L201
C28
3P
R
10
1
55
A4121
J.
'1
;1
10
C2
2F1
C32
P
7
2
2
0421
0
öl
?.
..
:_121
Pygil
AFC
VR201
0
C2
0
4
2
-4--
;
T
0.
4.7K
CI4
D3
r.
TP6
3P
I
C13
7
5
88
R2251005
8226
100K
1
76
55
.
814
04
-r
C12
C205
-
C206
11000P
0.022
10.022
1
0
%2
2
4
/
9
150K
5%
12P
RI2
47K
1
1
TR4
TR3
L202
2SK
191
2SC461
'01,
L
9
C222
-
1
-3.3/50
TR
301
2
SK
19
.
218301
T302
7
11f.
C304
TC301
8304
12
P
2.2M
3
.1
vc02
I
OFFSET
V+
NULL
8
7
6
5
c
c
µPC
741
C
C324
300P
C325
LW
200P
C326
100P
C
327
16P
V+
8
R305
IK
C307
,
0.022
R3I0
R306
4.75
C308
0.022
I
R
311
1305
10
302
0302
162472
8307
1
8282
47
U
47
41i
°
1303
.7
'n
R308
rnt-
CF3O1
820
r
I
1.
1
'
° 0
1
,•.•
—0
0
2 00
L_
h
C310
330P
12
13
(+7.47
IC
301
1+0.491
15
16
14
C3Il
0.022
I I
f
-7)
AN
6552
7
6
TL
082
TBB
1458
'1
44
TBC
1458
.7
,
sri
TDAI046
0301
.
303
KOS'
555
—C315
10.022
VR301
5K
C320
47/16
37
11C321
110.022
C322
0.022
C323
0.022
*-11—
R313
3.3K
•—f=1
8314
8.25
C3I8
3300P
16
15
14
13
VCO
FF
1
/
2
I
'
2
.
12
I
-1-
c
cr
p
...=—
1
I
4
16
13110.48
0204.
205
en
2nt_ü_
0
u
j
-
2
«„,
>
14
15
I
C201
LA12
31
1+10.28I
1Z
3
2
II
5
12
?„.
0202
KDS15!
163472
w
C245
SIGNAL
SCALE
l
er
.
82
P
0206
0207
0208
VF
10
3
16
14
13
12
II
10
IC203
LB
1405
1+0.031
1+0
01
1
.2.77J
15
2
4
5
6
7
8
R248
005
8247
C319
TP3
0244
11.8.981
1
/
50
12
11
10
LA
3350
DEMODULAT.
FF
SYNCHR.
DETECT.
TRIGGER
8251
470
VR2I2
15
8282
180
0--
V
ef
C
6
0
0
1
2
3
4
OFFSET
V
NULL
v-
0
0 0
0 0
4
5
8
7
6
GNO
8
GND

Related product manuals