EasyManua.ls Logo

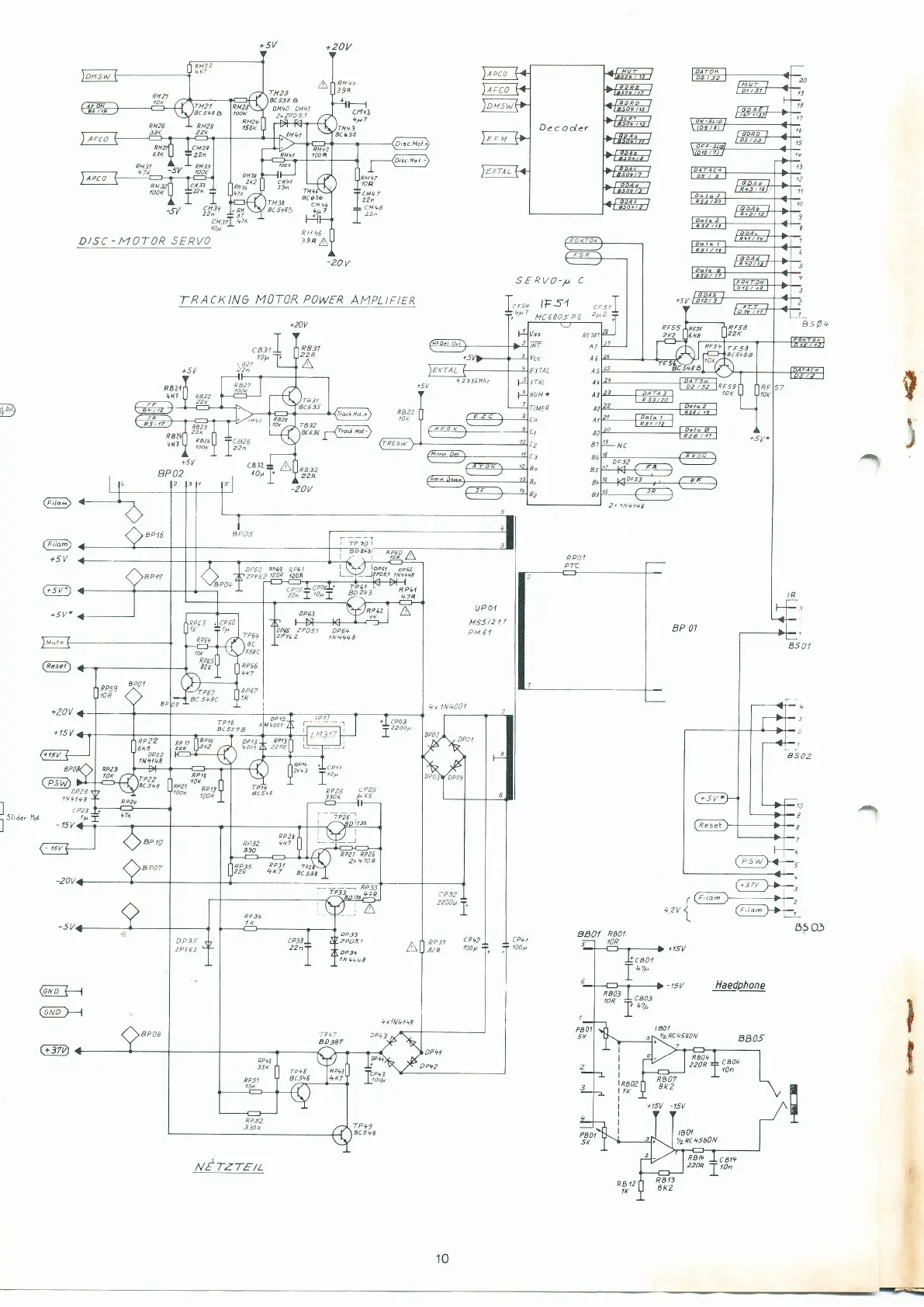
Dual CD 40 - Motor Drive and Power Circuits; Disc Motor and Tracking Amplifiers; Power Supply Diagrams

Dual CD 40
18 pages
Print Icon
To Next Page IconTo Next Page
To Next Page IconTo Next Page
To Previous Page IconTo Previous Page
To Previous Page IconTo Previous Page
Loading...
]_RACKING MOTOR
POWFR
AMPLIF/ER
+51/
R A07
8k2
t/5y
-t5/
f
t
"I
'h;\
L1
l
f
1,,'u.
no
BP lO
@4,
-
@tE+E
6:
03
-Aeelpte!9"
taU
'/z
RC
4560N
TA32
\eß6 .<r@d
4d
)
DP6)
RPbq
a;6?
21162
eAR
'2OA
L
I l,Ps
zPDtt
DP6+
i;:,r I
r''"'
'u+4e8
/rP57
lqP6-
atzztu
cB04
10
: