EasyManua.ls Logo

Ducane 4AC16LT Series - Page 19

Ducane 4AC16LT Series
19 pages
Print Icon
To Previous Page IconTo Previous Page
To Previous Page IconTo Previous Page
Loading...
506467-01 Page 19 of 19Issue 1946
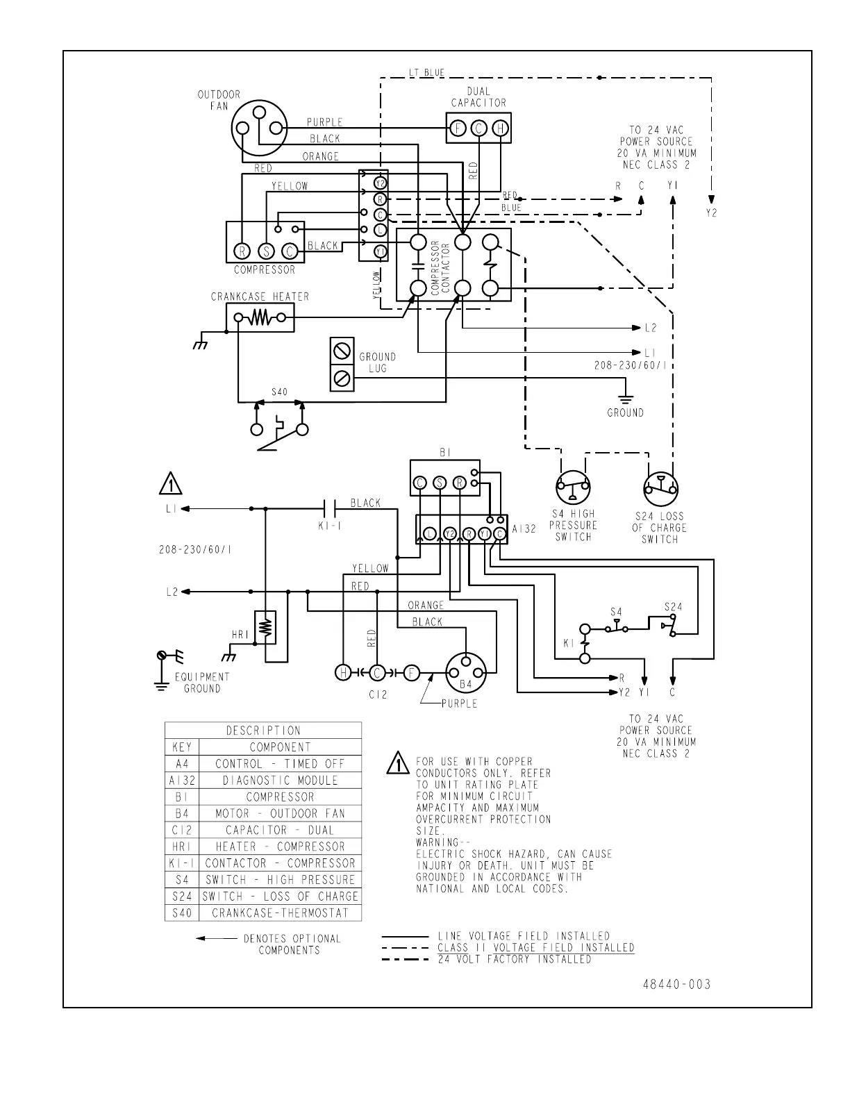
Figure 8. Wiring Diagram

Related product manuals