EasyManua.ls Logo

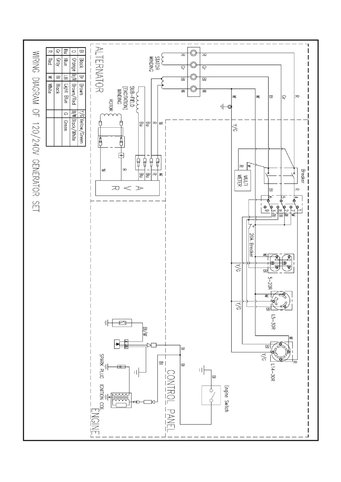
Ducar DG11050 - 120;240 V Recoil Start Wiring

Default Icon
25 pages
Print Icon
To Next Page IconTo Next Page
To Next Page IconTo Next Page
To Previous Page IconTo Previous Page
To Previous Page IconTo Previous Page
Loading...
Recoil Start
21

Related product manuals