EasyManua.ls Logo

DUERR PRO/20 - Page 14

Default Icon
16 pages
Print Icon
To Next Page IconTo Next Page
To Next Page IconTo Next Page
To Previous Page IconTo Previous Page
To Previous Page IconTo Previous Page
Loading...
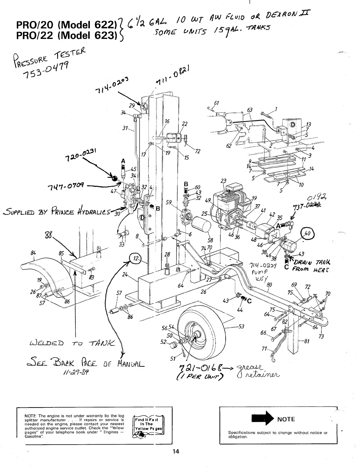
PRO/20
{Model
622)7
C
'
PRO/22
(Model
623)
5
rAL
10
HOT
W
fL
"
'
D
0
e>RotjXr
W
u*nr
s
,
5
1
*.
**«*
NOTE:
The
engine
is
not
under
warranty
by
the
log
splitter
manufacturer
...
If
repairs
or
service
is
needed
on
the
engine,
please
contact
your
nearest
authorized
engine
service
outlet.
Check
the
“Yellow
pages"
of
your
telephone
book
under
"
Engines
Gasoline".
Find
It
Fa
5t
In
The
Yellow
ges
NOTE
Specifications
subject
to
change
without
notice
or
obligation.
14

Related product manuals