EasyManua.ls Logo

Durablow TR1001 - Advanced Wiring Configurations; Wiring for IPI Pilot Ignition

Durablow TR1001
10 pages
Print Icon
To Next Page IconTo Next Page
To Next Page IconTo Next Page
To Previous Page IconTo Previous Page
To Previous Page IconTo Previous Page
Loading...
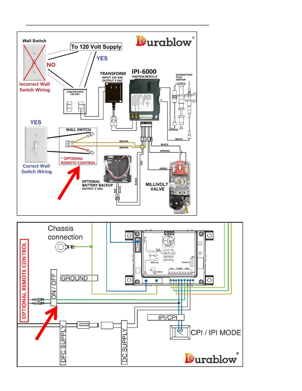
d. WIRING DEXEN or S.I.T ELECTRONIC IPI PILOT IGNITION CONTROL MODULE
Find the “OPTIONAL REMOTE CONTROL” wires to connect Durablow remote controls.
Page 6